rf输出功率 剑桥科技申请RF功率放大器电源动态调节专利,提高无线通信设备的数字基带及数模射频输出功率模块在复杂温变环境里长期工作的可靠性

小编头像

小编

管理员

发布于:2026年04月14日

161 阅读 · 0 评论

剑桥科技申请RF功率放大器电源动态调节专利,提高无线通信设备的数字基带及数模射频输出功率模块在复杂温变环境里长期工作的可靠性

金融界2024年6月13日消息,天眼查知识产权信息显示,上海剑桥科技股份有限公司申请一项名为“RF功率放大器电源动态调节系统、方法、设备及可读介质“,公开号CN202410281329.3,申请日期为2024年3月。

专利摘要显示,本申请提供了一种RF功率放大器电源动态调节系统、方法、设备及介质,系统包括PA电源校准模块,所述PA电源校准模块包括数字电源控制校准单元、电源功率转换单元和PA电源采样单元;所述PA电源采样单元用于采样PA电源负载反馈数据;RF功率校准模块,所述RF功率校准模块包括中央处理器、RF功率校准单元、RF数模转换单元、RF功率放大器和RF信号采样单元;所述RF信号采样单元用于采样RF信号发送数据;温度传感器,所述温度传感器用于采集所述RF功率放大器的环境温度参数。本申请改善了无线通信功率波动信号质量会变差的状况,同时也提高了无线通信设备的数字基带及数模射频输出功率模块在复杂温变环境里长期工作的可靠性。

本文源自金融界

RF 功率晶体管的阻抗匹配网络

Prepared by: B. Becciolini

1. 介绍

此处将一些阻抗匹配的圆图和数值方法。给出的例子将指高频功率放大器。

虽然匹配网络通常采取滤波器的形式,因此也有助于提供频率滤波,但这一方面认为匹配电路的必然结果。

功率晶体管中,输入阻抗值较低,随着功率的增加或芯片尺寸变大而减少。这种阻抗必须与源(一般为50欧姆内部阻抗)或前一级匹配。阻抗转化率为10甚至20并不罕见。级间匹配必须在两个复数阻抗之间进行,这使得设计更加困难,特别是如果匹配必须在宽频段内完成。

2. 器件参数

2.1 输入阻抗

RF功率晶体管的输入阻抗的一般形状如图1所示。它是一个大信号参数,由电阻Rp和电抗 Xp(参考1) 的并联组合表示。图 2 中显示的等效电路说明了图 1 中所示的行为。目前使用的带线或法兰封装的,VHF 低频段的大部分低频段功率器件的 Rp 和 Xp 值将低于串联谐振点 fs。输入阻抗本质上是电容性的。

图1 射频功率晶体管作为频率函数的输入阻抗

图2 RF-功率晶体管输入阻抗的等效电路

RE =射极耗散电阻

CDE,CTE =射极扩散电容和过渡电容

RBB′ = 基极扩散电阻 CC = 封装电容 LS = 基极管脚电感

大多数VHF高频晶体管串联谐振频率在工作频带内,例如在fs频率点为纯电阻状态,而并联谐振频率fp则在带外。

一个或两个千兆赫兹晶体管的参数将超越fs和接近fp。它们具有较高值的Rp,且Xp具有感性。

经常用来判断器件宽带能力的参数是输入 Q 或 QlN,简单地定义为 Rp/Xp 的比例。 实际上,VHF 设备的 QlN 范围约为 1 或更少,微波晶体管的输入 Q 或 QlN 范围约为 5 或更多。

QIN 是宽带匹配需要考虑的重要参数。匹配网络通常是低通或准低通滤波器。如果 QlN 较高,则可能需要使用带通滤波器类型匹配网络并允许插入损耗,但宽带匹配仍然是可行的。稍后将讨论这个问题。

2.2 输出阻抗

RF-功率晶体管的输出阻抗,如所有制造商的数据表所给出的,通常只包括电容COUT。晶体管的内部电阻应该比负载高得多,通常可被忽视。在内部电阻相对较低的情况下,器件的效率会因这个因素而降低:

其中RL是负载电阻,在收集极-发射极上看的,RT内部晶体管阻抗等于:

定义为小信号参数,其中:

ωT = 传输角频率

CTC + CDC =收集结的过渡和扩散电容

输出电容COUT是一个较大的信号参数,与小信号参数CCB(集电极-基极过渡电容)有关。

由于结电容随电压而异,COUT 与CCB不同,因为它必须在总电压摆动下平均。对于突变结并假设某些简化,COUT = 2CCB。

图3显示了COUT与频率的变化。COUT减少的部分原因是收集极管脚电感的存在,但主要是因为当工作频率接近转换频率fT时,基极-发射极二极管不再关闭。

图3 输出电容 COUT 作为频率函数

3. 输出负载

在没有更精确指示的情况下,输出负载 RL 的承受量等于:

VCE(sat)等于2或3V,随着频率的增加而增加。

上述方程只是表示一个众所周知的关系,但也表明负载,在第一个近似值,与器件无关,除了VCE(sat)。负载值主要取决于所需的输出功率和峰值电压:它与设备的输出阻抗不匹配。

在较高频率下,这种近似变得不那么精确,对于微波器件,必须在数据表上给出器件的负载。该参数将在未来所有摩托罗拉 RF 功率器件上进行测量。

严格地说,阻抗匹配仅在输入。级间和负载匹配是器件输入阻抗和负载到RL(有时带有额外的电抗原件)的阻抗转换,这主要取决于所需功率和电源电压。

4. 匹配网络

在以下匹配网络中,将按复杂程度顺序进行描述。这些是梯型的电抗网络。

不同的电抗值可以圆图方式计算和确定。增加电抗元件数量会扩大带宽。然而,由四个以上的电抗元件组成的匹配网络很少见。电抗元件超过四个,获得的改进不太大。

4.1 数字设计

4.1.1 双电阻网络

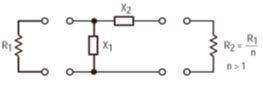
将首先考虑终端电阻。图4显示电抗 L 节和要匹配的终端。

图4 双电抗匹配网络

从 R2 到 R1 的匹配或精确转换发生在单个频率 fo。在 fo,X1 和 X2 等于:

在频点fo: X1⋅X2 = R1⋅R2

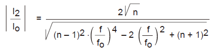
X1和X2必须是相反的符号。分流电抗元件与较大的电阻并联。L 节的频率响应显示在图 5 中,其中规一化电流被绘制为归一化频率的函数。

图5 低通或高通型 L 节的归一化频率响应

如果 X1 是电容式的,因此 X2 是电感的,则:

当前归一化电流绝对值等于:

这里,

图5描绘了此图。

如果 X1 是感性的,那么X2就是容性的,则唯一的变动是替换 f,反之亦然。L节在第一种情况下具有低通过形式,在第二种情况下具有高通式形式。

在频率fo, 电路的 Q 值等于:

对于给定的转换比率 n,Q 只有一个值。另一方面,匹配网络有两种对称的解决方案,即低通形式或高通形式。

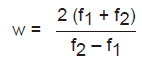
频率 fo 不一定是所需频段高低端频率 f1 和 f2的中心频率(f1 + f2)/2。

事实上,从图 5 的低通配置可以看出,将 fo 移向高频段边缘频率 f2 以获得更大的带宽 w,其中

然而,这将以更差的谐波抑制为代价。

例:

对于转换比 n = 4,可以从上述关系中确定:

如果负载端 R1 和 R2 具有感性成分X,则后者可作为图 6 中所示的外部感性成分的一部分。

适用此补偿,只要

给出电感的表可在参考 (3) 和 (4) 中找到。

图6 终端电抗补偿

4.1.1.1 使用传输线和电感器

在前一节中,电感通过一个集总的元件来实现。可以改为传输线来实现(图 7)。

图7 在 L 节中使用传输线

从两种配置的计算曲线(图 8)中可以看出,传输线路的带宽更大。对于具有长度 L = λ/4 (Θ = 90°)和特征阻抗 传输线路,增益非常重要。对于短线的λ /4 来说,这一点并不显著。使用传输线时,人们会注意到有无穷多个解决方案,每个值 C 都有一个解决方案。

图8 n = 10的L节的带宽 a) 集总器件b)传输线器件(λ/4)

4.1.2 三电抗匹配网络

它们由三种抵抗元件组成,或者以串联和并联方式连接。

三电抗元件配置允许使电路的质量因子 Q 和转换比 n = R2/R1 彼此独立,从而在某些限制之间增加了选择性。

对于窄带设计,可以使用以下公式(参考(5) AN-267,其中给出表):

网络(a):

网络(b):

网络(c):

图9 三电抗匹配网络

图10显示了图9(a)电路的Z平面中的表示,分为R1-C1-L1和C2-R2两部分。

应选择最实用元件值的网络进行特定应用。

三电抗元件网络可被视为由 L 节(两个电抗元件)和补偿电抗元件组成。L 节基本上执行阻抗转换,而额外的反应补偿了在特定频段上转换的阻抗的电抗部分。

图10 图9(a)电路的Z平面表达式

从R1到R2的准确转换发生在交叉点M和N。阻抗为共轭形式Z′ = R′ + jX′ 和 Z″ = R″ + jX″,且R′ = R″ , X′ = – X″。

当X′和–X″彼此相切时,可以获得唯一解。对于表示 L1 或 C1 另一个值的虚线曲线,可能会以带内的纹波为代价来预期一个更宽带宽。但是,这只能通过第 4.1.3 节中显示的四个电抗元件来实现。

使用三电抗元件配置,没有足够的自由度允许X′ = – X″,同时在从 M′ 到点N′的两条曲线上获得相同的频率变化。

因此,精确转换只能以一个频点获得。

三种电抗元件的值可以通过下式计算

解这些方程会导致复杂的计算。因此,可以使用计算表。

图10看到,补偿电抗在一定程度上有助于阻抗转化,即从M到R2时的R′变化。

图 9 (b) 的电路与第一个电路是对偶,在 Y 平面表示中给出的结果完全相同。

图 9 (c) 的电路略有不同,因为图 11 中仅存在一个交叉点 M。必须从此配置中可以预料频段更窄。最宽的波段为 C1 = ∞获得。

同样,如果其中一个终端具有电抗元件,则后者可以作为匹配网络的一部分,前提是它不是太大(见图 6)。

图11 图9(c)电路的Y平面表示

4.1.3 四电抗网络

电抗网络主要用于宽带匹配。下列将考虑的网络包括级联中的两个双电抗部分。有些网络具有准低通滤波器特性,有些网络具有带通滤波特性。原则上,前者显示较窄的带宽,因为它们不必要地将阻抗转换扩展到非常低的频率,而后者仅确保在中心频率周围的宽频带上进行良好的匹配(见图 14)。

图12 四电抗网络

上述网络中使用的双电抗部分具有转换功能或补偿功能。阻抗转化通过一个串联电抗元件和一个分流电抗元件获得。补偿是通过串联电抗元件或分流电抗元件进行。

如果使用两个级联转换网络,则每个网络将部分完成转换。

对于四电抗元件网络,有两个频率f1 和 f2,其中从 R1 到 R2 的转换是准确的。这些频率也可能重合。

例如,对于网络 (b),在 M 点,R1 或 R2 转换为 当两个频率一起下降时。如果转换准确,则所有点 (M)、Z1 和 Z2 都是共轭的。

在图 12 (b) 的情况下,电抗元件很容易得到,按等频率计算:

对于网络(a)通常,在点(M)、Z1和Z2是复杂的。此类准低通滤波器已在其他文献计算(参考 (3))。许多表可以在具有切比舍夫特性或最大平坦响应(参考(3)、(4)和(6)的四个及更多电抗器件的网络的文献中找到。

图 13 显示了 Smith 图表上网络 (a) 和 (b) 从 R1 到 R2 的转换路径(参考图形设计第 4.2 节)。

图13 网络转换路径 (a) 和 (b)

案例(a)是使用参考(4)中提到的表计算的。

案例 (b) 已从上述 X1 . . .X4关系中获取.两者都适用于转换比率10及R1 = 1的情况。

如果f1与f2不同,则用于更宽网络中的X′1 . . . X′4没有简单的关系。图 14 显示了图 13 中显示的电路的网络 (a) 和 (b) 的各自带宽。

如果终端包含电抗组件,则可以调整 X1 或 X4 的计算值来补偿。

对于配置(a),从图 13 中可以看出,在所考虑的情况下,Q值等于 1.6。

对于配置(b)Q′1,这等于Q′2,每个转换比率是固定的。

终端可能用于此配置的最大电抗值可以从上述 Q′值中确定。

如果 R1 是晶体管的负载电阻,则内部晶体管电阻可能不等于 R1。在这种情况下,选择性曲线将不同于图 14 中给出的曲线。图 15 显示当源电阻R1 为无限时,网络 (a) 和 (b) 的选择性。

从图 15 中可以看出,网络 (a) 对 R1 更改比网络 (b) 更敏感。

图14 图 13 中网络 (a) 和 (b) 的选择性曲线

图15 图 13 中具有无限 R1 的网络 (a) 和 (b) 的选择性曲线

如前所述,四电抗网络也可以视为两个级联的双电抗部分:一个用于阻抗变换,另一个用于补偿。图16显示了常用的补偿网络以及相关的L节。

图16 用于 L 节的补偿网络

图 16 (a) 的电路可与图 9 (c) 中显示的三电抗网络进行比较。不同的是,该电路的电容器 C2 已被 L-C 电路所取代。由此产生的改善可以通过比较图17和图11来观察。

通过添加一个电抗,在两个频率下实现精确的阻抗转换。现在可以选择元件值,以便交汇点M′在两个曲线上以相同的频率 f1 发生,同时N′在两个曲线上以相同的频率 f2 发生。在无数可能的交叉点中,只有一个允许实现此目标。

图17 图16(a)电路的Y平面表示

当M′和N′重合时,M,新的dX′/df = dX″/df条件可以添加到条件X′ = – X″(对于三电抗网络)和类似的R′ = R″和dR′/df = dR″/df。

如果 f1 与 f2 不同,则可以以牺牲带内波纹为代价实现更大的带宽。

同样,上述方程的一般解决方案导致的计算仍然比三电抗网络更为复杂。因此,表是可取的(参考 (3),(4) 和 (6)))。

图 16 (b) 的电路是图 14 (a) 电路的双倍带宽,不需要单独处理。它在 Z 平面上给出的结果完全相同。图16(c)显示需要六个电抗元件的更高阶补偿。

上述讨论的使用补偿电路的匹配网络使用两个转换部分的带宽比前一个解决方案(见第 4.1.3 段)更窄。不建议与图 16 (c) 中等更高阶补偿进行匹配。可以更好地利用大量电抗元件,将它们全部用于变换。

当使用传输线的短路线,实现上述配置时,方程或通常的表格不再适用。由于复杂性,计算必须在计算机上进行。但是,可以使用图形方法(见下一节),该方法将主要包括使用计算的集总元件值跟踪 Z-Y 图表上的转换路径,并用分布式元件获得的最接近路径替换该路径。只要使用短路线(参考(13),带宽变化并不显著。

4.1.4 使用四分之一波长变换器匹配网络

在足够高的频率下,可以实现λ/4长的传输线,宽带转换可以通过使用一个或多个λ/4节轻松完成。

图18总结了(a)一节和(b)两节转换的主要关系。

使用λ/2 长的输电线路可以实现补偿网络。

图18 使用λ/4 长传输线的转换网络

图 19 和 20 显示了不同转换比率和节数的选择性曲线。

指数线

指数线具有较大频率独立转换属性。

此类线条的特征阻抗与其长度 I 成倍变化:

其中k是常数,但这些属性仅在k较小时保留。

图19。不同转换比率的双λ/4 变换网络的选择性曲线

图20 1、2、3个λ/4 节的选择性曲线

4.1.5使用高Q带通滤波网络的宽带匹配

如果需要宽带匹配,上述电路适用于输入或输出 Q 低的元件。通常,如果匹配的阻抗性可以由电阻器 R 串联一个电感 L(有时是电容器 C)在兴趣区间内,如果 L 足够低,则后者可以并入匹配网络的第一个电感器中。如果表示由电阻器和电抗的并联组合组成,这一点也有效。

实际上,这对于Q的大约1或2是可行的。对于更高的 Q 或由串联或并联共振电路组成的输入阻抗(见图 2),因为它似乎是对于大带宽,必须遵循不同的处理方法。

让我们首先回顾一下,正如Bode与Fano(参考(7)和(8)所示),复数负载的阻抗匹配存在局限性。在图 21 示例中,要匹配的负载包括并联的电容器 C 和电阻器 R。

图21 一般匹配条件

转换负载和源之间的反射系数等于:

Γ=0:完美匹配;

Γ=1:全反射;

反射与输入功率的比例是:

匹配的极限包括:

Bode不等式

在图22表示出。

图 22. Bode方程的表示

方程的含义是曲线下的区域 S 不能大于 π /RC,因此,如果需要在一定带宽上进行匹配,则只能以在波段内的功率传输更少为代价来完成。因此,功率传输率和带宽显示为可互换量。

很明显,当|Γ|保持在所需的频段 ωc上,并在频谱的其余部分时等于 1,可以获得 S 区域的最佳利用率。然后,在带内,

且带外没有功率传输。

在实际中无法获得满足此要求的网络,因为需要无限数量的电抗元件。

如果绘制实际案例的衰减与频率曲线,则可能期望有像图 23 中显示的具有 Tchebyscheff 特性的低通滤波的曲线。

图23 相同负载的不同带宽的衰减与角频率曲线

对于给定的复数负载,只有同时增加衰减 a,才能将带宽从ω1扩展到ω2。对于 Q 超过1或2(见图 24)来说,这一点尤其明显。

图24 插入损损为 1/Q 的函数

因此,输入 Q 相对较高的设备可以用于宽带操作,前提是引入更高的衰减或反射是可以接受的。

低通阻抗匹配网络的平均插入损失或衰减(忽略波纹)的一般形状在图 24 中表示为不同数量的网络元件 n(参考 (3)的 1/Q 函数。

对于给定的 Q 和波纹,如果网络元素的 n 数增加,衰减会减少。但在n=4之上,改进很小。

对于给定的衰减和带宽,n越大纹波越小。

对于给定的衰减和波纹,n越大带宽越宽。

计算表明,对于 Q < 1 和 n ≤ 3,衰减大约低于 0.1 dB。阻抗转化率在这里不是无耗的。网络是一个真正的低通滤波器。对于给定负载,最佳源阻抗可以计算。

在引入阻抗转换之前,必须将低通原型转换为带通滤波器类型网络。图25总结了这种转换的主要关系。

r是转换因子。

对于带通滤波器,要匹配的元件的最大QlN或最大可能输入Q,被转换因子r增加(从图25,Q′INmax = rQINmax)。

阻抗变换器将用于阻抗转换。这些网络适合插入带通滤波器,而不会影响传输特性。

图25 从低通转换为带通滤波器

图26显示四个阻抗变换器。需要注意的是,其中一种电抗为负,必须在带传递网络中与至少等同的正值电抗相结合。逆变器的插入可以在任何方便的地方(参考(3)和(9))。

图26 阻抗变换器

当使用带通滤波器来匹配晶体管的输入阻抗时,应通过添加方便的串联电抗来使电抗L′1 C′1在ωo 时产生谐振。

如上所述,Ro、L′1和C′1 的串联组合在考虑宽带时通常构成晶体管的等效输入网络。约500MHz范围内,这是一个很好的近似。

在实践中,使用带通滤波器类型匹配网络的正常程序如下:

(1) 对于要匹配的元件的给定带宽中心频率和输入阻抗性,例如要匹配到 50 ohms,请首先在最终添加了串联电抗元件后,从数据表中确定QlN′;

(2) 将等效电路 Ro、L1′、C1′转换为低通原型 Ro、L1,并使用图 25 的公式计算 QlN;

(3) 对于所需的带宽,从表中确定其他电抗值(参考 (3));

(4) 将步骤(3)找到的元件值转换为串联或并联谐振电路参数;

(5) 在任何方便的地方插入阻抗变换器。

在上述讨论中,没有考虑到增益的减少。这是中等带宽的正常方式(前者为 30%)。但是,尽管晶体管的内在增益与频率降低,但还是可以使用多种方法在带内获得恒定增益。

已在其他地方计算表 (参考 (10)),用于匹配大约 6 dB/octave 衰减与频率的匹配网络。

另一种方法是使用上述网络,然后添加图 27 中所示的补偿电路。

图27 滚降补偿网络

谐振 ωb 位于频带的高边缘。正确选择 Q,可以进行6 db/octave滚降。

图27中显示的电路响应由:

这必须等于ω/ωb的6 db/octave。

在其他波段边缘,准确的补偿能够获得:

4.1.6 传输线变压器

传输线变压器的宽带特性使得它们在宽带阻抗匹配网络的设计上非常有用(参考(11)和(12)。

图28显示了一种非常常见的形式。这是一个4:1阻抗变压器。其他转换比率,如 9:1 或 16:1 也经常使用,但不会在这里考虑。

高频截止由通常选择小于λ min/8的线路长度决定。短线扩展高频性能。

图28 4:1 传输线变压器

低频截断首先由线路长度决定,长线延伸变压器的低频性能。低频截止也通过高偶数模式阻抗来改进,这可以通过使用铁氧体材料来实现。匹配的末端,没有功率通过不饱和的铁氧体耦合。

对于匹配的阻抗,4:1 变压器的高频衰减由:

对于I=λ/4,a=1.25或1dB,对于I=λ/2,a=∞。

传输线变压器的特性阻抗必须等于:

图 29 和 30 显示了两种不同的实现 4:1 变压器,用于为波段 118 - 136 MHz 设计的 50 到 12.5 欧姆的转换。

变压器由两块印刷电路板或两条丝带粘在一起并连接起来,如图 29 和 30 所示。

图29 4:1 P.C板上的传输线变压器

P.C板上的传输线变压器(图29)

图30 4:1 铁氧体的铜丝带传输线线变压器

铁氧体的传输线线变压器(图30)

4.2 圆图设计

图形设计的常用方法是使用阻抗-导纳图(史密斯图表)。

它适用于匹配电路中遇到的所有阶梯式网络。

匹配可以在给定的开始阻抗(或导纳)通过连续代数相加电抗(或电感)元件来实现,直到达到另一端阻抗(或导纳)。

阻抗图和导纳图可以叠加和使用,或者由于一个事实,即一个自定义点,由其反射系数定义,Γ有关参考,是常见的Z图表和Y图表,都是在Γ平面的表示。

更确切地说,Z图是平面Γ中的绘图,而Y图是平面中的绘图-Γ平面。从Γ到-Γ平面的更改在下面给出的构建规则中得到了解释。

图31和32分别显示规一化Z和Y在Γ平面中的表示。

Z 图表用于代数添加串联电抗。Y 图表用于并联电抗的代数添加。

对于图表的实际使用,在透明纸上进行设计,然后将其放在通常的 Smith 阻抗型图表上(例如)。对于添加串联电抗,图表将放置在"短"的左侧。对于增加并联电抗,它将旋转180° 与"短"(总是在阻抗方面)的右侧。

图31 Γ-平面中归一化 Z 值的表示

图32 Γ-平面中归一化化Y值的表示

适用以下设计规则。通过思考矩形坐标中更熟悉的 Z 和 Y 表示,可以很容易地找到它们。

对于加入两个阻抗点,有无穷大的解决方案。因此,必须首先决定构成匹配网络的电抗阶数。此阶数与所需的带宽和转换比率基本相关。

其次,必须选择电路的工作Q,这也与带宽有关。Q 可以在每个电路节点定义为电抗部分与该节点阻抗的实部之比。电路的 Q 通常指沿路径找到的最高值。

恒定的 Q 曲线可以叠加到图表上并与之一起使用。在 Γ平面Q曲线是半径等于

和一个中心在点±1/Q在假想轴上的圆,这是由表示:

图表的使用将在示例的帮助下进行说明。

以下串联并联转换规则也适用:

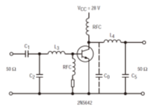
图33显示使用2N5642 RF功率晶体管放大器的示意图。匹配必须以在 175 MHz 频点,窄带实现。

图33 窄带VHF功率放大器

该器件在175 MHz,额定输出功率为 20 W,28 V 集电极工作电压。这些条件下的输入阻抗等于2.6 ohms与-200 pF并行(参见数据表)。这转化为阻抗为1.94 ohms电阻串联一个电抗为1.1ohms电抗元件。收集器负载必须等于:

数据表给出的收集器电容为 40 pF,对应于 22.7 ohms 的容抗。

为确保所需的输出功率并对消收集器电容,收集极看到的输出阻抗性必须等于 15.6 ohms 的电阻,并联 22.7 ohms电感。这相当于10.6 ohms的电阻串联7.3 ohms电感。

输入 Q 值1.1/1.94 等于 0.57,而输出 Q 值7.3/10.6 等于 0.69。

根据此频率可以看出,该器件具有良好的宽带功能。然而,匹配电路将在这里设计为窄频段应用,有效的 Q 将由电路本身而不是器件决定。

图34显示归一化(至50ohms)。

图34。2N5642 的归一化输入和输出阻抗

图35显示了用于输入匹配电路图形设计的图表。在这种情况下,电路 Q 必须大于约 5,并且已选择等于 10。在Q=5时,C1将是无限的。添加 C1 的有限值会增加电路 Q,从而增加选择性。图括号内的归一化值是导纳(g+jb)。

图35. 输入电路设计

在 f = 175 MHz 时,获得以下结果:

图36显示了输出电路的图,设计方式类似。

图36 输出电路设计

在这里,结果是(f=175 MHz):

输出中的电路 Q 等于 1.9。

匹配电路的选择性也可以根据所选频率的变化通过更改 x 或 b 值以图形方式确定。该图将给出 VSWR,可以计算衰减。

图形方法还可用于从集总电路设计转换为daixia你设计。导纳圆的中心在1 + jo点。

在低阻抗水平(大圆圈)下,集总和分布式元件之间的差异很小。

5.示例

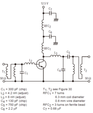
示例中是在 VHF 频段 118 - 136 MHz 中运行的2N6083宽带放大器级。2N6083 是一种 12.5 V 器件,由于在这些传输频率中使用振幅调制,该选择建议进行失真补偿,通过反馈系统相关的低电平调制。

传输线变压器将在输入和输出时使用。因此,由于所需的阻抗转换比相对较低,匹配电路将减少到双电抗网络。

5.1 器件特性

2N6083在125 MHz的输入阻抗:

额定输出功率:

在175 MHz8 W输入时输出30 W。从数据表中可以看出,在 125 MHz 时,通过大约 4 W 输入实现 30 W 输出。

输出阻抗:

5.2 电路原理

图37 电路图

5.3 测试结果

图 38. 频率与输出功率图

图 39. 频率与效率图

Figure 40. PREFL./PIN vs Frequency 118 – 136 MHz Amplifier (see Figure 37)线圈调整之前

致谢:

感谢T. O’Neal先生与他进行了富有成果的讨论。O’Neal先生设计了图37中显示的电路:J.Hennet先生构建并测试了试验模型。

6. 参考文献

1. Motorola Application Note AN-282A “Systemizing RFPower Amplifier Design”

2. W. E. Everitt and G. E. Anner “Communication Engineering” McGraw-Hill Book Company, Inc.

3. G. L. Matthaei, L. Young, E. M. T. Jones “MicrowaveFilters, Impedance-Matching Networks and Coupling Structures” McGraw-Hill Book Company, Inc.

4. G. L. Matthaei “Tables of Chebyshew ImpedanceTransforming Networks of Low-Pass Filter Form” Proc. IEEE, August 1964

5. Motorola Application Note AN-267 “Matching NetworkDesigns with Computer Solutions”

6. E. G. Cristal “Tables of Maximally Flat ImpedanceTransforming Networks of Low-Pass-Filter Form” IEEE

Transactions on Microwave Theory and Techniques

Vol. MTT 13, No 5, September 1965 Correspondence

7. H. W. Bode “Network Analysis and Feedback AmplifierDesign” D. Van Nostrand Co., N.Y.

8. R. M. Fano “Theoretical Limitations on the BroadbandMatching of Arbitrary Impedances” Journal of Franklin Institute, January – February 1950

9. J. H. Horwitz “Design Wideband UHF-Power Amplifiers” Electronic Design 11, May 24, 1969

10. O. Pitzalis, R. A. Gilson “Tables of Impedance MatchingNetworks which Approximate Prescribed Attenuation Versus Frequency Slopes” IEEE Transactions on Microwave Theory and Techniques Vol. MTT-19, No 4, April 1971

11. C. L. Ruthroff “Some Broadband Transformers” Proc.IRE, August 1959

12. H. H. Meinke “Theorie der H. F. Schaltungen” München,

Oldenburg 1951

相关问答

无线路由器设置中“RF输出功率”是什么意思?-杜仔bb?的...

无线信号的强度,同有线连接信号基本没有关系,同信号的强弱,辐射的范围有关。RF的意思是射频,“RF输出功率”就是指路由器无线信号的输出功率,这个...

rf功率放大器是做什么用的-懂得

射频功率放大器,增加了气流的传送强度rf功率放大器中文名称叫射频功率放大器是各种无线发射机的重要组成部分。在发射机的前级电路中,调制振...

无线输出功率调到15%会好不好-ZOL问答

是指路由器的RF输出功率吗,这个功率与信号强度或者辐射范围是成正比的,在手机等上网设备距离路由器不太远时可以调低,15%也一样上网完全没有影响,如果手机距离路...

RF是什么电阻?

RF是RadioFrequency的简称,即射频的意思。所谓射频其实就是一种一定频段内的电磁频率,其频率范围从300KHz到300GHz,频段比较广。射频技术在无线通讯领域中应...

怎样看无线路由器输出功率?

RF的意思是射频,“RF输出功率”就是指路由器无线信号的输出功率,这个功率与信号强度是成正比的。现在提倡绿色节能,很多厂商对路由器固件做了改改进,在小居室...

fv函数计算公式?

fv公式是P=W/t=F*S/t=F*V。机械功率的符号为P,单位是瓦,符号为W。v是速度,单位是米/秒。f是牵引力,单位是牛顿,符号为N。W表示功。单位是“焦耳”,简称“...

我们是做无线遥控发射器的,电流才6mA,电压3V,是不是用电压X电...

[回答]功率P=U*I,但考虑到高频线路的效率不高,所以射频输出功率会小于3*6=18mW,差不多10mW以下.

sx-200功率计使用说明?

你好,SX-200功率计是一种用于测量射频(RF)输出功率的仪器。以下是SX-200功率计的使用说明:1.首先,将SX-200功率计插入待测射频输出信号的路径中。确保电源...

射频功率放大器的主要技术指标?

射频功率放大器是发送设备的重要组成部分。射频功率放大器的主要技术指标是输出功率与效率。除此之外,输出中的谐波分量还应该尽可能地小,以避免对其他频道产...

射频消融术治疗腰椎间盘突出_千问健康

病情描述(主要症状发病时间):腰痛臀部歪…治愈化验检查结果(请在下方创建病历):

标签:

相关阅读