和三位摄影人聊聊RF镜头中那些意想不到的镜头
从2018年9月到现在,不到4年时间,RF卡口镜头总共发布了24支各款镜头以及2支增距镜,这个成绩可谓优秀。而且RF镜头一经推出,便好评如潮,在这众多RF镜头群中,摄影师有哪些意想不到的产品呢,色影无忌特别邀请了宠物摄影师张天航、风光摄影师冰河以及资深器材编辑刘念,一起聊聊RF镜头中那些意想不到的镜头。
张天航
英宠摄影创始人
视觉中国500px年度十佳摄影师
全球宠物摄影大赛DPY首位获奖的亚洲摄影师
冰河
风光摄影师
GettyImages、CFP签约摄影师
刘念
资深器材编辑
Q:您在使用EOS R系统时,给您最大的感触是什么?
张天航:我觉得这个系列的机型对于宠物摄影特别实用,简直就像量身定制的一样。比如多向翻转屏就是一个极其有用的设计,因为拍宠物大多时候都是需要低视角取景的,通过翻转屏来进行俯视观察会让摄影师的拍摄姿势轻松很多,否则的话就要整个人趴地上观察了。而当时市面上的无反相机几乎都是只有横向反转,没有竖向翻转功能,那么低角度拍摄竖构图的画面时取景就没那么方便了。再有就是对焦系统不断在升级,对焦速度越来越快,再加上现在的动物眼部识别自动对焦也是做到了很成熟的地步,对于拍摄活泼好动的宠物们来说非常好用。
EOS R5 / EF 8-15mm f/4L FISHEYE USM / F4 1/1250S ISO1000
摄影:张天航
冰河:在我第一次接触到EOS R系统是当年发布EOS R以及EOS RP的时候,那会儿我觉得佳能已经开始重视无反相机了,特别是后来佳能公布一系列后续的镜头计划的时候,我真的很激动。
刘念:我觉得EOS R系统的综合性能是很强的,作为单反时代的佳能用户,在EOS R系统上的操作是非常顺手的。特别是对于拥有大量EF镜头的用户来说,原厂转接的兼容性最佳。另外就是在R6和R5的身上可以和单反一样完成更多专业题材的拍摄,这对无反系统来说是非常重要的。
Q:到目前为止,EOS R系列相机中,哪一款给您留下的印象最深?
张天航:印象最深的就是我现在正在用的R5,除了上述优势以外,R5在连拍速度、像素方面也都很贴合我的需求。虽然市面上有连拍速度更快的机身,也有像素更高的机身,但我还是觉得R5的这个定位还是很适合宠物摄影师这个群体的,如果对像素要求不高的也可以考虑R6。
冰河:目前为止,给我留下印象最深刻的一台就是佳能EOS R3,因为当时我也参与了EOS R3的国内首测,我无法形容我第一次用到“真眼控对焦”时的震撼,我觉得这种对焦方式会对摄影产生很大的影响。
EOS R5 / RF15-35mm F2.8 L IS USM / F22 1/80S ISO800
摄影:冰河
刘念:对我来说印象最深的还是EOS R6。虽然R5拥有非常强的功能参数,但是R6这台机器对很多发烧友或者说爱好者来说是非常“香”的。从1DX Mark III机身上继承的CMOS和AF系统直接下放到万元机身上,是非常厚道的。特别是对于自媒体用户来说,4K 60P无裁切是非常抢眼的参数,同时2000万像素对图片摄影来说也足够使用。总对来说R6真的是一台综合性能很强的,同时普通用户又可以承受的出色机身。
Q:那到目前为止,RF镜头中,哪一款给您留下的印象最深?
张天航:RF50mm F1.2,这支头的画质很让人非常满意,而且即使用到F1.2的光圈,焦点处的锐度仍然很高,而且这支镜头在EOS R系列的机身上可以达到快而准的对焦,以前我用单反的时候是很少用50mm F1.4镜头拍宠物动态画面的,即使是慢速运动都会有很高的失焦率,但是现在用RF50 F1.2拍摄的时候我甚至可以拍摄跑动中的宠物。
冰河:因为我主要拍摄风光,所以除了广角之外,用得最多的就是中长焦,其中佳能 RF70-200mm F2.8 L IS USM给我留下了深刻的印象,除了画质优异之外,跟之前的EF 70-200mm F2.8 L IS III USM相比,体积重量减少了那么多,这让我感觉非常惊讶,后期我在实际拍摄中,特别是徒步旅拍中,小巧轻便的造型确实让我的拍摄轻松很多。
刘念:RF28-70mm F2 L USM这支镜头确实印象很深。首先从焦段上来说28-70属于传统大三元的最常用焦段。但是在尺寸和重量和传统单反的24-70mm F2.8都接近的情况下,佳能居然把光圈做到了F2,并且居然还保证了相当不错的分辨率。对于一支以“干活”为主定位的镜头是非常不错的。特别是对比如婚礼、人像写真、旅拍等题材对摄影师来说,我想这枚镜头是必须要考虑的。
EOS R5 / RF15-35mm F2.8 L IS USM / F13 1/80S ISO100
摄影:冰河
Q:那么在所有RF镜头中哪些镜头是您没有想到的?
张天航:RF28-70 F2,这支头和更为常见的24-70 F2.8这个镜头看似没有什么太大区别,一开始我不太理解为什么会出现这样一支头。后来用过以后感觉还挺爽的,尤其是需要提升快门速度的时和想要更浅景深的时候,RF28-70 F2都更有优势,而且成像质量也是好的没话说,预算够的话可以直接考虑上这个头了,至于广角端少的那一点焦段我觉得影响不大,如果我想要更大的视野或者强烈的透视感,肯定会直接用RF15-35mm了。
还有RF70-200mm F2.8的设计也是令我很意外的,这支镜头是我的必买镜头,也是我户外拍摄用到最多的焦段。有不少人吐槽RF这支头的外变焦设计,虽然我也是觉得这个设计挺出乎意外的,但是真的使用了一段时间后觉得也并没有什么不好,防尘防水性能还是不错的,而且颜值也很高,收起后还方便收纳。
冰河:佳能RF28-70mm F2 L USM 这支镜头是我没想到的,确确实实太厉害,变焦能做到F2.0的恒定光圈,这在以前真的很难想象,我经常会挂机这个镜头,拍产品、拍人像、扫街,完完全全可以把它当成一只定焦镜头来使用。
佳能600mm F11 IS STM这支镜头也让我很诧异,一般情况下这种超长焦价格都不便宜,佳能这次推出的这只600定焦只要4000元左右的售价,虽然光圈不大,但是对于很多打鸟和拍野生动物的用户来说确实是个福音。
刘念:没有想到的肯定是RF600和RF800 这两支镜头,对很多入门对生态摄影爱好者来说这两支镜头性价比非常出色。尽管光圈是F11,但是在体积和重量的控制上让可用性大大提升。
但最意外的镜头毋庸置疑应该还是佳能刚刚发布的RF5.2mm F2.8的这支VR镜头了。确实想像不到佳能会在无反系统上研发一枚VR镜头,但这枚镜头确实可以利用R5高像素和高视频分辨率的优势,完成VR视频的拍摄。出乎意料但又合情合理。
EOS R5 / RF70-200mm F2.8 L IS USM / F2.8 1/2000S ISO1000
摄影:张天航
Q:您怎么看待佳能推出的F2变焦镜头和F11定焦镜头?
冰河:我觉得佳能不仅仅是在不断创新,更是在极致的道路上不断探索的同时也听取了很多用户的意见,不管是RF28-70mm F2 L USM还是600mm F11 IS STM都有其可取之处,不同需求的用户会在这些镜头上找到属于自己的点。
刘念:我觉得佳能的策略非常清晰,无论是F2还是F11,都是为了能让更多用户接触到EOS R系统。F2的变焦镜头是在EOS R诞生不久推出的,也可以说是佳能为了EOS R系统树立的一个光学标杆,告诉这些专业的摄影师现在EOS R系统也可以完成商业的拍摄,你们无需担心我们在无反系统上的投入。而F11的定焦镜头就是RF600和RF800,这两枚镜头恰恰是让生态摄影走向更普通用户的产品。以往想要拍摄鸟类,长枪短炮必不可少,镜头起码万元起步,对很多入门用户来说望尘莫及。这两枚镜头的推出对这部分用户非常有吸引力。因此我才会说无论是F2还是F11都是佳能为了吸引更多人使用EOS R系统而诞生的产品。
Q:作为一直关注和使用佳能产品的摄影人,您是否觉得佳能在EOS R系统上更加激进?您怎么看待佳能的这种激进的做法?
张天航:没错,是挺激进的,这是好事,数码相机每年都有天翻地覆的变化,各种新技术层出不穷,不激进点又怎能走在前端呢。
冰河:在某些场景下,我觉得“激进”可能是一个贬义词或者中性词,但是对于相机研发来说,我就会觉得是一个褒义词,目前相机市场需要佳能这种“激进”的做法,我也更期待佳能的“激进”能带给我更多的惊喜。
刘念:激进是好的,最怕不够激进。现在智能手机对传统影像设备的影响已经彻底成熟了。智能手机的更新周期甚至是以月来计算的,因此传统影像品牌如果依然按照以往的开发节奏进行新品研发,必然会面对的是越来越成熟的手机影像技术。佳能近年无论是在产品参数还是功能设计上都尝试了很多激进的设计,有些经过尝试可能不尽如人意,但前提是一定要经过尝试才会得到答案。不够激进可能面临的就是竞争对手甚至跨行业对手的挑战,这对佳能来说我想是不可接受的。因此我才会觉得佳能的这些看似激进的产品实际上是在适应现在行业的节奏。
EOS R5 / RF15-35mm F2.8 L IS USM / F2.8 1/3200S ISO100
摄影:张天航
Q:如果后续佳能可以研发生产,有什么特别出人意料的镜头希望佳能推出吗?
张天航:我非常期待RF口的鱼眼镜头,这款镜头虽然比较小众,但是拍摄宠物有奇效。不管是利用鱼眼的广阔视野拍摄震撼效果的大场景还是近距离拍摄宠物们的“大头照”,都能让人眼前一亮。
冰河:我的本职工作还是风光摄影师,最近我对于星空摄影的兴趣非常大,所以我希望佳能可以推出一些大光圈超广角的变焦或者定焦镜头,这对于我拍摄星空来说非常重要。
刘念:其实我更希望佳能多推出一些F1.8甚至是F2的镜头。对很多成熟对摄影用户来说,可能已经渐渐过了追求大光圈的阶段。合适的光圈,合适的体积,出色的光学质量才是我们更需要的。F2甚至是F2.8的这些定焦镜头通常体积更小,光学素质也能相对控制到更加优秀。我更希望见到这些更加“精巧”的镜头出现。
EOS R5 / RF15-35mm F2.8 L IS USM / F2.8 30S ISO3200
摄影:冰河
本文为广宣内容
功率因数和无功因数计算
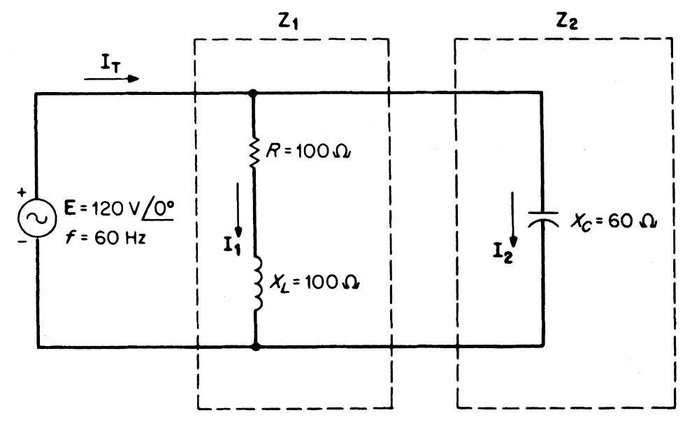
交流电路中的功率分析功率因数(Power Factor)和无功(Reactive Factor)因数分析功率因数校正 PFC (Power Factor Correction)交流电路中的最大功率传输接着介绍第二个部分,功率因数(pf)和无功因数(rf)。电路如下图所示。
交流电路图
先来看一下功率因数的分析。交流电路的功率因数是有功功率(P)比上视在功率(S)的一个数字比值,记作P/S。参考如下图所示。
这个比值就等于功率三角形中角θ的余弦值。功率因数角度正好等于电路中(或负载中)电压和通过电路(或者负载中)电流之间的相位角。因此:
pf = cosθ = P/S
再来看一下无功因数,和功率因数一样也是个比值。电路中(或者负载中)无功功率和视在功率之间的比值,就称作无功因数。这个比值就是功率因数三角形中的θ的正弦。因此:
rf = sinθ = Q/S
我们来计算一下题目中给出的功率因数和无功因数。就是计算出电路中的电压和电流,从而求出来电压和电流的相位值,就可以求出电路的功率因数和无功因数了,相位差的余弦值和正弦值。首先求出支路的阻抗Z1和Z2.
Z1 = R +jXL = 100 + j100 = 141.4∠45"I1 = E/Z1 = 120∠0" / 141.4∠45" = 0849∠-45" = (0.6-j0.6)AI2 = E/Z2 = E/Xc = 120∠0" / 60∠-90" = (0+j2)AIt = I1+I2 = (0.6 - j0.6) + j2A = (0.6 - j1.4) A = 1.523∠66.8"AS = |E||It| = 120 * 1.523 = 182.8 VA功率因数 pf = cosθ = cos∠66.8" = 0.394
无功因数 rf = sinθ = sin∠66.8" = 0.92
这样的话,有功功率和无功功率也可以通过下面的式子进行求解了。
P = S * cosθR = S * sinθ这里不再写具体怎么算了。
感性负载的功率因数是滞后的;容性负载是功率因数是超前的。功率因数可以用小数也可以用百分数表示。这个值小于1或者100%。大部分工业负载比如马达和空调是感性负载,其功率因数滞后。
该内容是小编转载自网络,仅供学习交流使用,如有侵权,请联系删除。如果你还想了解更多关于电子元器件的相关知识及电子元器件行业实时市场信息,敬请关注微信公众号 【上海衡丽贸易有限公司】
相关问答
Rf值的计算公式是什么?其影响因素有哪些?_作业帮
[最佳回答]薄层色谱法中原点到斑点中心的距离与原点到溶剂前沿的距离的比值影响因素:溶质和溶剂的性质
Rf值怎么计算?
Rf值(保留因子)是一种用于衡量化合物在色谱分离中的保留性能的指标。其计算公式为:Rf=溶质峰面积/溶剂峰面积。在色谱学中,Rf值是衡量化合物在固定相和流...
【薄层色谱法中Rf值的计算请问是这样计算的吗?】作业帮
[最佳回答]你画的图不对,从新画一个吧
光合色素的分离rf计算?
Rf值就是比移值,计算方法是用你样品点的中心处与点样处的距离除以展开剂前沿与点样处的垂直距离.因此,Rf值是大于0小于1的.叶绿素分离的话,你跑出来应该不止...
纸层析法氨基酸Rf值的计算方法是怎样的?
纸层析法中,Rf值(RetentionFactor)是用来描述氨基酸在纸层析中的保留能力的一个参数。它并不直接计算,而是通过与标准品相比得出的。通常,将氨基酸样品与已...
纸层析法中相对迁移率Rf是怎样计算的?在实验中有何作用?_作业帮
[最佳回答]Rf值就是比移值,计算方法是用你样品点的中心处与点样处的距离除以展开剂前沿与点样处的垂直距离.因此,Rf值是大于0小于1的.一个值对应一种物质Rf值...
老师好:可以帮忙解一下公式吗?帮列一下计算过程。RF+2.5*(R...
[回答]学员。这个条件不够,两元一次方程了
请问如何计算一支股票的贝塔系数呢?具体的公式是什...-汇财...
[回答]"贝塔系数"是一个统计学上的概念,是一个在+1至-1之间的数值,它所反映的是某一投资对象相对于大盘的表现情况。其绝对值越大,显示其收益变化幅度相对...
RF在财务上是什么的缩写?-懂得
在RfB(Rm-RF)=Rfβ*市场组合风险收益率的计算公式中:(1)(Rm-Rf)的常见叫法包括:市场风险价格、市场平均风险收益率、市场平均风险补偿率、市场风险...
老师您好!资本资产定价模型公式中,Rm和Rm-Rf,一般在计算题...
Rm指的是市场平均报酬,Rm-Rf指的是市场风险溢价,做题时如果说市场风险溢价就是Rm-Rf
