rf发生器 「新品情报站」这也许是全球最小的10MHz至15GHz RF信号发生器

小编头像

小编

管理员

发布于:2026年04月14日

159 阅读 · 0 评论

「新品情报站」这也许是全球最小的10MHz至15GHz RF信号发生器

SynthHD Mini:10MHz – 15 GHz信号发生器,售价:1249美元(人民币:8146元)

SynthHD Mini 是世界上最小的10MHz至15GHz RF信号发生器。尽管该设备尺寸超小且价格昂贵,但仍有望获得出色的性能。

以0.01Hz的步进调整10MHz至15GHz之间的任何频率。以0.01dB的步进调节校准的幅度,幅度最大为+ 20dBm,并且跨越30dB以上的范围。执行FM,AM,脉冲,扫描和列表调制。

Windfreak Technologies已在微波射频发生器上树立了质量,尺寸和价格方面的标准。产品在美国设计和制造!

微波信号发生器,SynthHD Mini

产品特性

10 MHZ至15 GHZ(0.01 Hz步长)

-13 dBm至+20 dBm(典型值),以0.01 dB为步进

选择内部27MHz参考或使用外部10-100MHz参考

脉冲,AM和FM内部调制,包括FMCW雷达通讯

最小宽度为1uS且分辨率为1uS的脉冲调制

DC – 10KHz的脉冲,AM和FM外部调制

强大的触发模式,无需连接PC即可外部触发大多数功能

线性,%和列表模式(频率和幅度跳跃)扫描

将所有设置保存到设备上以在没有PC的情况下使用

板载32位ARM处理器,与Arduino兼容

购买随附的Labview GUI可执行文件和源代码(如下图所示)

Windows,Linux和Android的兼容性

在美国设计和制造,具有最大的价值和成本比

功能清单

校准的RF输出

超小型铣削外壳,大约1.6 X 1.6 X 0.5英寸

开源Labview GUI软件控件

在有或没有PC的情况下运行硬件功能

通过USBC连接器进行USB或UART控制

触发,通过USBC连接器进行调制

通过USBC的参考输入或输出

开源USB分线板单独出售

0.01dB幅度分辨率

0.01Hz频率分辨率

100uS射频锁定时间标准

每步250uS的典型扫描速度

高达+ 20dBm的输出功率

超过30dB的功率控制

2.5ppm内部基准精度

1GHz时-115dBc / Hz相位噪声@ 10KHz偏移

内部和外部FM,AM,脉冲调制

外部扫描,步进和调制触发

500点频率和振幅跳表

板载32位ARM处理器

低功耗400mA(典型值)

规格

1 USB和UART报警

SynthHD Mini旨在与USB 2端口或可插入USB 2或USBC端口的USB 2电缆一起使用。仅当使用您自己的微控制器电路接入SynthHD Mini的3.3V – 5V COM端口控制的电源,UART,参考和触发信号时,才使用USB 3电缆。使用USB 3电缆连接到PC的USB 3端口可能会产生未知的后果,因为PC并非设计为可以看到SynthHD Mini UART以及其他信号和vv。

提供USB 2至USB 3分支转接板,可更轻松地访问UART以及触发和调制连接。

UART和触发信号通过500欧姆串联电阻隔离,以保护硬件。

2 特征

2.1电气特性

Characteristic

Notes

Min.

Typ.

Max.

Unit

Supply Voltage

Suggested 300mA minimum

4.7

5

5.5

V

Supply Current

0dBm RF at 1GHz

400

mA

Standby Supply Current

RF output OFF

20

mA

RF Output Frequency Range

10

-

15000

MHz

Calibrated Frequency Range

10

15000

MHz

RF Output Power Maximum

See graph

20

dBm

RF Output Power Minimum

See graph

-13

dBm

RF OFF Output Power

100% shutdown of RF section

-80

dBm

RF Output Frequency Resolution

Default is 0.1Hz selectable by Channel Spacing Setting

0.01

Hz

RF Output Power Resolution

0.01

dB

Output Temperature Variation

0 to +70C, 1GHz, 0dBm

+/- 0.6

dB

RF Output Impedance

50

Internal Reference Frequency

27

MHz

Internal Reference Tolerance

2.5

ppm

Trigger

Internally pulled up 5V tolerant

-0.3

3.3

5

V

UART

3.3V native, 5V tolerant

-0.3

3.3

5

V

RF Connector

Normally Polarized Female SMA

Weight

40

g

3.软件和硬件

3.1开源软件GUI

随附的GUI用LabVIEW™编写,并且购买时购买了随附的源代码vi。

硬件。还为不拥有LabVIEW™开发版的用户提供了Windows安装程序。

环境。硬件的所有功能都可以通过软件访问。定制软件开发人员

请访问windfreaktech.com网站以下载易于使用的API文档。

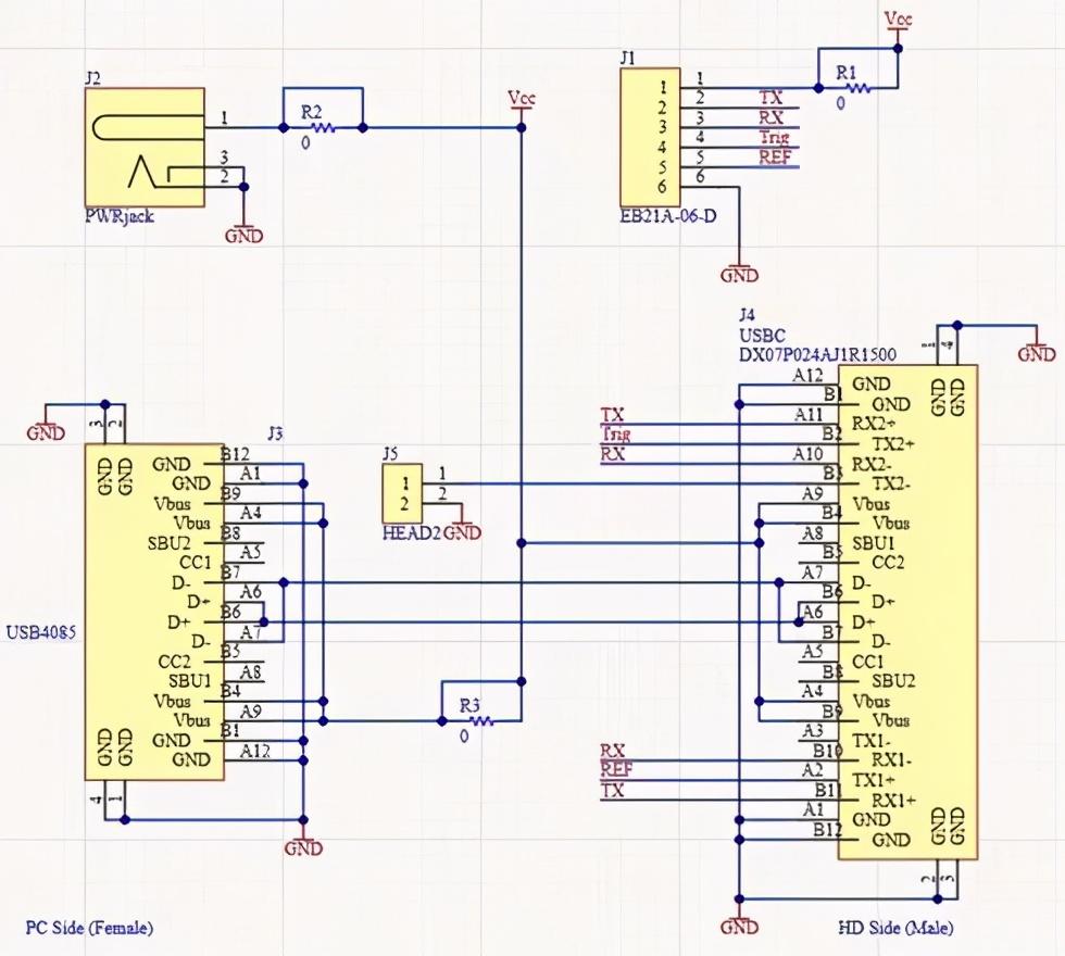
3.2 USBC连接器引脚排列

USBC连接器以非常规方式使用,以允许访问UART,参考,

调制和触发信号。如上所述,请避免将此设备直接连接到USB 3

PC上的端口。请改用USB 2延长线。

Signal Name

USBC Pin #

Description

VBUS

A4, B4, A9, B9

+5V Power

USB D-

A7, B7

USB 2.0 differential pair

USB D+

A6, B6

USB 2.0 differential pair

GND

A1, B1, A12, B12

Ground

UART Tx

A11, B11

UART SynthHD Mini TX (hook to host RX)

UART Rx

A10, B10

UART SynthHD Mini RX (hook to host TX)

Reference

A2

Reference I/O (Warning: Single Sided)

Trigger

B2

Trigger Input (Warning: Single Sided)

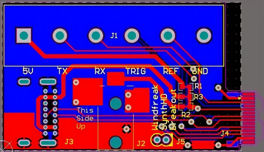
3.3 推荐的UART和触发突破电路

5.设备信息

5.1机械尺寸

应用领域

无线通讯系统

射频和微波电台

软件无线电(SDR)

雷达

自动化测试设备(ATE)

EMC –辐射抗扰性预一致性测试

电子战(EW)和执法

量子计算和设备研究

等离子体物理学

医学研究与治疗

低慢小,大威胁:反无人机的技术与方法

摘要:2024年8月13日,澳大利亚陆军研究中心发布报告《低慢小,大威胁:加强陆军对小型无人机系统的应对准备》。报告首先介绍了全球小型无人机的发展趋势,其次以美国反恐战争、叙利亚内战、俄乌冲突为例说明了小型无人机在战场上的作用,然后阐述了与探测和防御无人机相关的手段,最后就如何培养反无人机作战思维向澳大利亚陆军提出建议。本文基于上述报告,重点论述了反无人机的技术与方法,包括被动防御和主动防御。被动防御包括伪装/隐蔽/欺骗(CCD)、分散部署部队和资产加固保护等措施;主动防御则涉及传感器技术(声学、光电/红外、雷达/激光和射频探测)和效应器技术(动能拦截、电子干扰/欺骗/黑客技术、高能激光和高功率微波武器),前者旨在探测或识别无人机,而后者旨在妨碍或摧毁无人机。

关键词:反无人机,被动防御,主动防御,电子战,定向能武器

无人机被动防御

反无人机(CUAS)任务中的被动防御措施涉及一系列使自身免遭敌方无人机发现、瞄准以及减轻无人机任何攻击效果的方法。许多被动防御措施类似于第一次世界大战中抵御空中威胁的方法,这些方法如今对有人驾驶飞机、巡航导弹、弹道导弹和无人机依然奏效。反无人机的被动防御措施包括伪装/隐蔽/欺骗(CCD)、分散部署部队、硬化加固及掩体保护。

伪装、隐蔽和欺骗旨在让敌方小型无人机(SUAS)更难通过传感器探测与识别目标。充分了解敌方小型无人机的能力有助于实施伪装、隐蔽和欺骗措施。制定有效的伪装、隐蔽和欺骗计划还必须考虑本方部队的作战环境。在人烟稀少的环境中,区分地面部队和无人机系统的信号可能已经相当困难,而在车辆、平民和射频发射器遍布的城市环境中,这可能更具挑战性。为了保护高价值车辆的位置免遭暴露,可以使用烟雾等遮蔽物或诱饵来干扰敌方无人机的光学传感器。

诱饵还可以削弱敌方无人机的攻击效果,迫使其将武器消耗在无价值的目标上。自俄乌冲突爆发以来,诱饵就一直是乌克兰反无人机策略的一部分。例如,乌克兰曾使用“海马斯”(HIMARS)高机动火箭炮系统的木制诱饵来诱骗俄罗斯的无人机系统,并成功吸引了俄军火力。此外,便于移动和部署并能模仿装甲车的充气式诱饵也在战场上发挥了关键效用。“豹”式(Leopard)坦克的充气诱饵甚至包含可产生热量和雷达信号的组件,可更好地模拟真实坦克的多频谱特征。

分散部署部队旨在提高部队的战场生存力。该策略有助于减少部队的总体特征,以降低其受攻击的风险。如果特定地点受到攻击,分散部署则能有效限制暴露在敌方火力之下的本方资产数量。事实证明,该策略对于能在发现对手部队位置后指导火炮部队动用非制导或集束弹药进行大规模打击的侦察系统非常有效。然而,对于敌方释放大量可单独或自主选择目标的巡飞弹的情况,分散部署的有效性就不那么明确了。在这种情况下,分散部署有可能适得其反,因为分散的多个部队难以形成合力来抵御敌方巡飞弹(因为反无人机装备数量有限)或地面部队的攻击。虽然分散部署可提高部队在大多数类型空袭下的生存能力,但由于缺乏集中力量的规模效应,可能会使主动的反无人机措施难以落实。

硬化加固或掩体保护可削弱敌方空投弹药造成的伤害。由于体积小,小型无人机运载动能有效载荷的能力有限,因此硬化加固可显著提升受针对目标的生存能力。加固措施包括在装甲车顶部及周边安装金属屏障等技术含量低的装置。近年来,乌克兰、俄罗斯和以色列军队在战场上为装甲车加装“防护笼”的案例屡见不鲜。固定地点的加固是指对高价值军事资产的停放/存放位置进行保护。加固方法通常包括建造专门的掩体或对现有结构进行强度升级,以提高其抵御潜在威胁的能力。加固措施旨在确保高价值资产在受到攻击的情况下仍能正常运行,从而保障军事行动的连续性和有效性。

无人机主动防御

无人机系统构成的重大威胁助推了全球反无人机系统市场的飞速增长。研究表明,截至2021年3月,市面上共有581种由39个国家的282家制造商生产的反无人机产品。无人机的主动防御方法主要针对无人机系统各组成部分的弱点。对于遥控无人机而言,整个系统包括操作员、控制站、飞机、通信链路及任何相关有效载荷。自主无人机在飞行过程中可能不需要操作员、控制站和外部通信,但仍需要机载信息处理器。充分了解无人机系统的组成部分,对于研究反无人机方法大有裨益。

出于多种原因,探测小型无人机并非易事。首先,此类飞机本身尺寸较小,相较于其他飞机,无论是在飞行过程中还是在地面上,其特征均不明显。其次,该飞机可以贴近地面或树线飞行,利用地形和植被进行隐蔽。此类飞机降低信号特征的方式还包括逆风飞行(以尽量减少声音信号),以及利用阳光或云层等自然现象来为其行动提供掩护。如果飞机为远程控制,除非飞机一直处于操作员的视线范围内,否则很可能需要利用机载传感器向操作员回传位置信息。

寻找小型无人机操作员及其相关控制站也往往相当困难,因为两者与飞机不处于同一位置。然而,要指挥一架非完全自主的飞机,操作员需要与飞机进行通信。许多早期的小型无人机使用的是窄带通信,这使得控制站的探测相对容易,而新近系统则广泛采用扩频技术。这一变化给反无人机工作带来了巨大挑战,因为相较于窄带通信系统,扩频通信系统采用的频率范围更广,可探测性较低。适用于无人机系统的新兴通信方式也不断涌现,如5G蜂窝网络和宽带商用卫星通信网络。由于这些网络拥有大量用户,因此在大量发射机中识别无人机系统无异于大海捞针。此外,特制的军用无人机系统(如“海鹰-10”(Orlan-10))通常配备经强化的无线电数据链路,使其更难以被拦截或干扰。

在探测到疑似威胁的小型无人机后,需要对其进行识别,以确定其来源、型号、意图和其他任何有益于后续行动的关键信息。如果决定针对无人机系统的某个组成部分(操作员、控制站、通信链路或飞机)进行打击,就需要指派一个效应器(可能是武器系统或其他对抗方案)来执行任务。如果一个士兵发现小型无人机并使用武器朝其开火,那么该士兵便同时充当了“传感器”、“决策者”和“效应器”三种角色,独立完成了从探测到决策再到行动的全过程。这种情况通常发生在非系统化的防御措施中。但在其他情况下,多个传感器收集到的数据可能需要传输至一个中心位置进行集中处理。无论哪种情况,决策过程通常都需要人或计算机(或两者结合)来整合传感器数据,评估威胁,并指派或重新指派传感器和效应器来应对威胁。

为了强化“探测”与“决策”过程,本方无人机系统最好采用敌我识别技术(IFF),这涉及在飞机上安装加密应答器和询问系统,以便快速判断来袭的飞机是本方飞机还是敌方威胁。北约(NATO)要求所有军用飞机都采用模式5(Mode 5)敌我识别应答器,包括无人机。目前,重量低至190克的敌我识别应答器已经问世,这让在小型无人机上实现敌我识别功能成为了可能。

图1. 由美国Sagetech Avionics公司开发的微型模式5敌我识别应答器

“决策”阶段必须考虑几个额外因素。首先,作战部队必须遵守既定的交战规则(ROE)和对抗无人机系统的特定指令。其次,做出攻击决定前,必须考虑到本方飞机(包括有人机和无人机),以及其他在交战区域内活动且有可能受影响的本方部队。如果决定使用干扰手段,则必须确保此类干扰不会产生自干扰或其他影响本方部队的附带后果。此外,所有决策都应遵守空域管制的相关规定,以确保不会影响空中交通管制及安全。最后,在本方无人机上使用敌我识别应答器或类似技术可简化识别过程,减轻专门负责执行反无人机任务的部队的工作负担。

北约基于由英国国防部开发的“综合电子网络化技术资产保护传感”(SAPIENT)协议来规范反无人机的相关决策。SAPIENT协议是一个开放性标准,它允许将来自不同传感器的信息整合起来,形成一个统一的信息画面,以支持反无人机行动。在2023年9月的北约反无人机技术互操作性演习(NATO CUAS Technical Interoperability Exercise)中,SAPIENT协议成功地将多个反无人机系统的传感器信息整合到12个不同的指挥控制应用程序中。

图2. 2023年9月北约反无人机技术互操作性演习现场

“行动”阶段涉及击败小型无人机本身或其有效载荷所提供的整体军事力量的方法。在该阶段,可以使用一系列效应器(包含动能和非动能解决方案)来对抗敌方小型无人机,包括定向能武器、干扰/欺骗技术、防空炮、导弹、缠网或自杀式无人机等。重要的是,无论采用哪种方案,都必须充分考虑它们的效果及其对周围环境或本方部队可能造成的附带影响。

传感器技术

1.声学探测

无人机声学探测系统使用麦克风来监听无人机噪音,通常为来自飞机推进装置的噪音。小型飞机的发动机和螺旋桨产生的声音频率通常在20到20000赫兹之间。每种型号的无人机都会在整个频谱上产生独特的声学特征,将这些特征与预先编译的声学特征数据库进行比对,就能识别出无人机的型号。声学传感器是被动传感器,这意味着它们不会主动发射信号而暴露自身位置。此外,具有处理能力的麦克风阵列还可以利用声音抵达麦克风的时间差来确定飞机位置,精确度可达全球定位系统(GPS)水平。

由于声压会随着与声源距离的增加而衰减,因此声学探测系统的探测距离有限。与声源的距离每增加一倍,声压就会降低6分贝。科学文献反映的声学系统有效探测距离差异巨大,从5米到600米不等。声学探测相较于其他探测方法的一个优势在于,它不一定要求传感器与飞机处于彼此的视线范围内。然而,用于探测小型无人机的声学探测系统在高噪音环境(如商用机场)中往往无法奏效,并且很容易受到恶劣天气现象(如降水和刮风)的干扰。

通过改进螺旋桨设计和采用更安静的发动机来降低无人机噪音是可行的,这不仅在技术上容易实现,同时也符合商业用户对于无人机降噪的需求。此外,进行拍摄活动的无人机操作员也往往不希望对拍摄环境造成破坏性的影响。探测范围有限、受天气和无关噪音影响大,以及无人机降噪技术的发展,都有可能进一步限制声学探测系统的实用性和有效性。

2.光电/红外探测

光电(EO)传感器主要依赖可见光工作,而红外(IR)传感器则能够检测红外辐射。根据波长的不同,红外辐射可分为短波红外(1.0至3.0微米)、中波红外(3.0至5.0微米)和长波红外(8.0至14.0微米)。光电传感器和红外传感器都是被动传感器,可在非照明环境中工作,但前者效果要差得多。

在适宜的外部条件下,经过适当的放大,成像传感器能够捕捉并生成图像,提供关于目标形状、类型等详细的视觉信息,适用于需要图像识别和分析的场合。与成像传感器相比,非成像传感器的视场更大,但缺乏对目标细节的识别能力,因此常用于探测与跟踪。非成像传感器的典型用例是某些战斗机上搭载的红外搜索与跟踪(IRST)传感器,该传感器可对敌方飞机进行远距离探测与跟踪。

先进的计算机视觉技术可与光电/红外传感器配合使用,用于探测、跟踪和识别敌方无人机,并估算出传感器与无人机之间的距离。在训练用于该任务的算法时,须考虑可能对传感器造成干扰的混淆物(如鸟类),并将其纳入训练数据中。计算机视觉技术有可能利用光电/红外传感器阵列来提高距离估算精度。然而,在复杂环境中探测与识别无人机仍是一项艰巨的挑战,特别是在背景杂乱无章的情况下,如布满城市高大建筑物或生长茂盛植被的背景。此外,恶劣的天气条件(如雨、雪、雾)也会降低光电/红外传感器的性能,导致其探测范围缩小。

关于光电/红外传感器系统的作用范围和性能很难做出笼统的概括,因为这取决于传感器的质量和分辨率,以及系统所使用的光学器具。但可以肯定的是,尽管像素更高、灵敏度更高的传感器成本也更高,但它们仍然是大多数场合下的首选。对于固定的传感器阵列而言,通常可以通过选用合适的光学器具来缩小传感器的视场,以达到提高分辨率的目的。这意味着能够远距离探测和识别小型无人机的高分辨率光电/红外成像传感器的视场相对较小,往往需辅以其他系统的提示。

YouTube上流传的一段视频记录了光电/红外系统在反无人机任务实测中的表现,该系统为德国安诺尼公司(Aaronia)生产的AARTOS反无人机系统。视频显示,在良好的天气条件下,观察员使用视觉相机和热成像相机对小型无人机进行探测与跟踪。视觉相机允许观察员在100至200米的距离上通过视觉识别无人机,而热成像相机则能够在长达1000米的距离上进行跟踪。此外,安诺尼公司还针对反无人机任务提供了更高性能的超远程热成像/光学跟踪系统,其最大跟踪距离达8公里。根据约翰逊准则(Johnson Criteria)(一个用于评估成像系统分辨率的标准,可协助确定在给定距离上系统能够识别目标的最大范围),8公里的最大跟踪距离相当于约1.5公里的最大识别距离。

图3. 德国安诺尼公司的AARTOS反无人机系统

非成像红外传感器可以探测和跟踪目标,但不能识别目标。战斗机上的红外搜索与跟踪系统可以在远距离上探测到其他飞机,因为它们的温度比背景天空要高得多。大多数此类传感器使用中波和长波红外波段来探测小型无人机电池或发动机散发的热量,灵敏度极高。理论计算表明,在天气晴朗和天空温暖的情况下,视场为30度的非成像长波红外传感器可探测并跟踪6.9公里范围内的无人机。红外搜索与跟踪系统还能探测和跟踪4公里范围内背景为茂盛植被的无人机。

总之,较高端的光电/红外系统可探测大约8公里范围内的小型无人机,并能在1.5公里的最大范围内高质量地识别无人机。非成像传感器由于视场大,特别适合用于城市环境外的探测。相反,成像传感器由于视场小,因此特别适合用于在其他传感器提示的特定区域内识别威胁。光电/红外传感器还能以较快的速度对新出现的小型无人机威胁进行特征描述,因为图像有助于向监控馈送的分析人员提示该无人机是否携带爆炸物或其他类型的有效载荷。光电/红外传感器还能同时应对多个目标,且传感器能力不受飞机自主性的影响。不过,光电/红外传感器易受雨、雾等恶劣天气条件的影响,且光电传感器在白天的作用最为显著,在夜间使用存在困难。

光电/红外探测方法的一个潜在缺陷是,要探测到飞机,传感器需拥有一条畅通无阻的视线。因此,小型无人机操作员可以充分利用地形优势,让飞机低空飞行至目标区域,从而避免被探测到。此外,降低光电/红外频段的信号特征还可以缩短传感器的最大探测距离,这项技术已应用于大型飞机,同样也可应用于小型无人机。例如,采用更高效的电池和发动机技术来减少无人机的热信号,从而降低被红外传感器探测到的可能性。

3.雷达/激光探测

雷达是用于探测和跟踪传统商用和军用飞机的主要工具。大多数雷达为主动传感器,可发射电磁波,并通过接收从目标反射回的电磁波来探测物体。被动雷达本身不发射电磁波,而是通过接收目标发射或反射过来的电磁波来对目标进行定位或测距,常用于补充主动雷达系统,在性能上不足以完全取代主动雷达。现代综合防空系统通常配备了多种用于不同目的的雷达,其中一些雷达专用于预警/广域监视,其他雷达则用于威胁的聚焦跟踪和目标接战。由于雷达回波信号存在多普勒频移(Doppler Shift)等特性,因此雷达系统可以捕捉目标飞机的雷达特征、速度和距离等信息。

在给定的距离上,被照射目标的回波大小会因频率、观测角度、环境条件等因素的不同而有所区别。描述目标回波的度量通常称为雷达散射截面(RCS),常以平方米为单位。部分非隐形飞行物在微波频率下的RCS值为:鸟类0.01平方米、小型单引擎飞机1平方米、大型非隐形战斗机6平方米、大型客机100平方米。

捷克共和国国防大学研究员对大疆(DJI)“精灵”2 (Phantom 2)Vision无人机进行了多次实验,以评估其在雷达上的反射特征。在X波段,即8至12千兆赫的雷达波段(常用于机场周边的空中交通管制或军事火力控制),“精灵”2 Vision的RCS值为0.03至0.1平方米。对于许多现有的X波段雷达而言,这种大小的回波往往很难探测,特别是在受环境杂波严重干扰的作战环境中。调整雷达以探测此等强度的回波信号很可能会导致令人无法接受的高虚警率。

图4. 大疆“精灵”2 Vision无人机

大多数军用雷达的系统特性都是针对比小型无人机更大、更快的威胁而优化的。因此,更高频率的雷达常被用于探测无人机,尤其是Ku波段雷达和Ka波段雷达(频率分别为12至18千兆赫和26.5至40千兆赫)。使用这些较高频率雷达的缺点是大气衰减会增加,尤其是在下雨天,这将缩小系统的最大探测距离。关于雷达系统对小型无人机的有效探测距离,不同的文献众说纷纭,因为在实际应用中,理论上能够达到的最大探测距离有可能导致令人无法接受的高虚警率。在理想条件下,即假设雷达对目标的视线畅通无阻,雷达的有效探测距离在2至8公里之间。

降低虚警率的一个潜在方式是区分小型无人机目标和基于噪音的误报或混淆物(如鸟类)。采用旋翼推进的无人机会产生微多普勒信号,可用于协助对目标进行探测和归类。此外,每种系统都有其独特的微多普勒信号。能够捕捉该信号的雷达系统将能更有效、更稳定地排除错误目标,甚至可能利用特定的信号来探测意向目标。

由于任何雷达都涉及大量设计参数(如频率、功率、视场、重访率等),因此很难对其预期性能做出笼统性概括。主动雷达的一个缺陷是,其在运行期间有被敌方探测到的风险;另一个缺陷是很难探测到利用地形进行掩蔽的飞机。此外,小型无人机可以采用像载人飞机一样的反雷达干扰系统和隐形设计。这些功能虽然可以提高无人机的隐蔽性,但也会增加其制造成本和技术复杂度。尽管存在一些局限性,但雷达以及与捕捉信息相关的信号处理技术正在不断进步。

激光探测与测距(LADAR)系统与雷达类似,但使用的是激光照射目标。与光电/红外系统一样,这种系统也很容易受到雨雾的影响。实际上,最新研究表明,LADAR系统探测30米开外的小型无人机的成功率不高,如此短的探测距离远不足以支持现代反无人机任务,但随着激光系统及其数据处理能力的不断改进,预计未来LADAR系统的性能将迎来提升。

4.射频探测

飞机与其控制站之间的通信信号是反无人机系统可利用的关键漏洞。射频(RF)探测器以被动方式捕获这些信号,从而探测和定位无人机和/或其相关控制站。一旦接收到信号,射频探测器便能利用“抵达方位”或“抵达时间/频率差”技术对信号进行分析(如安装多个传感器),然后以合理的精度定位信号发射源。如果该区域唯一可能的信号发射源是无人机,那么探测工作就相对简单,但在冲突区域或人群密集的场所,射频环境复杂,这有可能削弱射频探测器的准确性。

要将小型无人机的射频信号与周围环境中的其他信号区分开来非常困难,这意味着射频探测器需掌握特定无人机使用的通信频率和协议。因此,大多数射频探测器(与大多数电子战系统一样)使用已知信号特征库来协助探测和识别无人机。探测过程包括扫描特定频率和调制,并将目标区域内的发射信号与已知威胁进行比对。如果使用射频探测器搜索非已知的无人机信号发射器,则有可能导致高虚警率。同样,基于新频率或新协议运行的无人机,如果其通信信号不在已知信号特征库内,也可能很难被探测到。为保持射频探测器的有效性,必须不断更新已知无人机信号特征库,以及时涵盖新的威胁信息。

利用通信信号探测飞机的方式面临新的挑战——小型无人机正朝着可利用无线网络、蜂窝网络甚至卫星网络的方向发展,这使得在众多使用相似频率和协议的系统中辨别无人机通信信号变得更加困难。为了克服这一挑战,射频探测器需具备截获无人机通信所传输的数据的能力。另一种方式是将搜索范围缩小至预计存在小型无人机的特定区域,以提高探测率。

大疆的AeroScope系统就是一款能利用特定小型无人机传输的数据对无人机及其操作员进行定位的系统。该系统通过监听大疆无人机与地面控制站之间的通信来收集信息,包括无人机和地面控制站的GPS坐标。有了GPS坐标,便能动用精确武器系统来打击地面控制站。此外,该系统还能拦截和利用飞机传感器有效载荷的数据链路来确定飞机位置。

对抗射频探测的一个办法是将无人机打造为自主飞机,使其无需与地面控制站通信。为此,无人机可能需要依靠卫星导航系统来确定位置和制导。这种自主性使得无人机能够执行简单的任务,如沿着固定路线飞行并收集图像,但在识别和打击特定目标方面则存在困难。对抗射频探测的办法还包括使用不存在于探测系统信号特征库中的频率和协议,或使用类似无威胁系统的频率和协议;通过射频诱饵来欺骗或压制射频传感器;小型无人机也可以利用低探测率通信波形和定向相控阵天线来减少射频信号特征。

总之,射频探测技术在对抗远程操控的小型无人机系统方面颇具优势,能有效定位与识别飞机及其控制站(包括操作员),但该技术也具有一定局限性,如需要不断更新威胁信号特征库,在对抗自主无人机方面效果不佳等。

效应器技术

1.动能拦截方案

针对传统军事目标(如直升机和战斗机)而建造的防空系统通常以导弹或火炮作为武器。这些武器在某些作战行动中可有效打击小型无人机,但成本往往过于高昂,从经济角度来看,这并非一项可持续的策略。

火炮、加农炮和机关枪经改装后可更有效打击无人机。一些制造商已研制出了专用于对付小型无人机的低成本制导导弹,如雷神公司(Raytheon)的“郊狼”(Coyote)巡飞弹。2023年1月,该巡飞弹成功击落了攻击叙利亚美军基地的无人机。据称,“郊狼”巡飞弹每枚售价为10万美元,尽管价格比“爱国者”(Patriot)导弹低了一个数量级,但相较于所针对的无人机,成本仍过于高昂。2022年,美国成功使用一款名为“百夫长”(Centurion)的反火箭弹、火炮和迫击炮(C-RAM)系统击落了袭击伊拉克美军基地的无人机。该系统实则为美国海军“密集阵”近防炮(Phalanx CIWS)的陆基版本,每次交战成本约为8000美元。

图5. 雷神公司的“郊狼”反无人机巡飞弹

图6. “百夫长”反火箭弹、火炮和迫击炮系统

尽管导弹和火炮在对付无人机方面效果显著,但在非战斗区域使用有可能造成极高的附带伤害。即使在战斗区域内使用,也需要协调火力弧和空域管制,以避免误伤友军。此外,此类武器以摧毁单架飞机为主,面对无人机群可能无法形成可观的防御效果。为有效对抗无人机群,可能需要使用弹仓深度深、可快速交战并具有区域杀伤性的武器系统。

其他专门对付小型无人机的物理拦截手段还包括缠网(可由地面发射或由本方无人机携带到空中投放)和设计用于撞击敌方无人机的空中资产。例如,在俄乌冲突中,乌克兰部署了对俄方无人机进行自上而下撞击的无人机。更有趣的是,荷兰警方还尝试训练老鹰来捕捉无人机。

图7. 荷兰警方训练老鹰捕捉无人机

2.干扰、欺骗和黑客技术

干扰是指利用干扰器发射射频信号来阻碍无人机收发信号(如果知晓无人机控制站的位置,也可对其进行干扰)。当无人机与其控制站失去联系后,通常会被迫执行四种预设应急程序中的一种:原处悬停、就地着陆、返回发射点或前往预定着陆区,也有无人机在受到干扰后会直接从空中坠落或飞行失衡。干扰器的有效作用范围取决于干扰器功率和无人机通信系统的抗干扰性。

控制链路干扰的目标是无人机及其控制站之间的通信信号。该策略对于应对由远程操作员控制的无人机特别有效,但对于自主无人机不一定奏效。许多国防制造商和军方已提出并采用了几种针对控制链路的干扰方法:第一种方法是在整个可能被无人机使用的频段上播放噪音。这种方法要求对无人机使用的频段有一定的了解,无需掌握其使用的确切频率。如果噪音越大,无人机接收端的信噪比(SNR)就越小,其与控制站断开连接的概率就越高。第二种方法是更有针对性地干扰无人机实际使用的具体频率。第三种方法为“扫频干扰”,其工作原理是对潜在威胁系统使用的一系列频率进行周期性扫描,并在这些频率上施加干扰信号,从而阻断通信。这种方法无需识别出无人机的具体型号,但需要预先知道所有潜在威胁系统使用的频率范围,并将这些频率信息存储在数据库中。

无人机的卫星导航信号也可能成为受干扰目标。该策略对于依赖卫星导航系统制导的自主无人机尤其有效。卫星导航信号受到干扰通常会导致飞机迷失方向,从而无法返回发射地。欺骗技术也可用于干扰无人机导航,即通过发送与真实卫星信号相似但带有欺骗性信息的信号,使无人机的导航系统接收并处理这些虚假信号,从而导致无人机做出错误的导航决策。欺骗技术可以较精确地控制无人机行为,甚至可能使其降落在欺骗者指定的位置。

另一种干扰方式是通过黑客技术控制无人机本身。这种技术不仅需要对无人机的通信链路有深入的了解,还需要知道控制无人机的具体协议,或拥有能够访问无人机处理器的管理员权限。常用的一种黑客技术为重放攻击,它指的是攻击者在通信过程中截获并重复发送之前捕获的合法通信数据,以欺骗系统执行非预期操作或获得非法访问权限。其他精妙的干扰方式还包括利用超声波信号干扰无人机上的微型陀螺仪和加速度计,迫使无人机降落。

干扰技术在实际应用中有可能产生副作用。干扰信号有可能覆盖本方或民用通信系统也在使用的频率,导致本方系统或民用系统失灵。如果干扰行动是针对卫星导航信号,那么不仅敌方,所有依赖卫星导航信号的系统都有可能失效。定向干扰虽然可以减少附带影响,但也不能完全排除意外后果产生的可能性。

对付控制链路干扰和欺骗的对策包括采用基于跳频或扩频技术的通信系统。跳频指的是在发射机和接收机已知的各种频率之间快速切换,以克服对任何单一频率的干扰。扩频则是将信号分布在一个更宽的频段内,这样即使某个频率受到干扰,信号仍然可以通过其他频率传输。为凌驾于对手之上,在实际中使用无人机系统需要灵活变更通信频率和协议,以保持通信的稳定性和安全性。在俄乌冲突中,乌克兰小型无人机的控制链路与执行反无人机任务的俄军电子战系统就在不断地进行攻防对抗。

3.定向能——高能激光和高功率微波

定向能效应器凭借其有效性、快速响应性以及一旦投入使用后相对较低的后勤需求和单发成本而在反无人机任务具有举足轻重的地位。最重要的是,激光和高功率微波可以最大程度地减少与无人机交战产生的附带损害。自20世纪60年代起,美国便不断对定向能武器进行研究,并投入了数十亿美元。直到2014年,美国才具备部署此类武器的能力——美国海军在“庞塞”号(USS Ponce)两栖船坞登陆舰上部署了第一种定向能作战武器,该武器为一种功率为30千瓦的激光系统,可用于执行反无人机任务。

图8. 美国海军“庞塞”号搭载的30千瓦级激光武器系统

高能激光有许多优势,首先是其拥有快速而精确的交战能力。如果视线畅通无阻,激光束将以光速到达目标(尽管将足够的能量传送到目标区域以造成破坏仍需要一定时间)。大多数激光武器都能在飞机机动的情况下保持光束对飞机的照射。此外,通过降低功率或缩短照射时间,激光有可能会使无人机上的成像传感器发生错乱,从而造成任务杀伤。然而,激光武器的效用有可能随着大气水蒸气的增多而降低,因为特定的激光波长有可能被水蒸气吸收,这在湿度较高的环境中尤为明显。

高能激光对于对付其附近区域的目标具有极高的精确度。然而,被激光击毁的目标会以难以预测的方式坠落,有可能对地面建筑或人员造成伤害。高能激光的作战概念还必须考虑其对远处传感器(如在该区域内运行的本方机载传感器)可能产生的附带影响,以及激光在攻击目标时对暴露于目标镜面反射下的人体造成的危害,散射激光能或将对人眼造成永久性伤害。评估激光武器可能造成的附带损害,需进行特殊建模,这与评估传统武器(如导弹和火炮)附带损害的建模方式截然不同。

高能激光的有效射程在很大程度上取决于其功率、系统设计、目标照射时间,以及环境因素和目标自身的硬度或抗损能力。实测表明,在理想条件下,从军用沙丘车尾部发射的10千瓦激光可有效对抗3公里范围内的小型无人机。此外,激光武器系统的运行成本相对较低,以以色列的“铁束”(Iron Beam)激光防空系统为例,据称其单次发射成本仅为3.5美元。

图9. 以色列100千瓦级的高能激光武器系统——“铁束”防空系统

与激光武器一样,高功率微波武器也是一种定向能武器,可由射频发生器从固定地点或移动车辆上发射,或通过一次性的特制爆炸系统发射。微波武器可通过不同的平台或载体(如导弹、无人机、微波炸弹等)在目标附近释放高功率电磁脉冲来干扰或破坏目标的电子设备。高功率微波反无人机系统产生的电磁波能有效应对数百米范围内的无人机,且不受环境条件影响。

图10. 集成到美陆军“斯崔克”(Stryker)轮式装甲车上的“列奥尼达”(Leonidas)高功率微波系统

高功率微波武器一般分为窄带高功率微波武器和宽带高功率微波武器。前者发射的微波能量集中在一个较窄的频率范围内,具有较高的频率稳定性和相干性,可提供更精确的目标照射,适用于需要高定向性的应用场景,如精确打击特定频率的雷达或通信系统;后者发射的微波能量则分布在较宽的频率范围内,能够产生短脉冲的强烈能量,照射范围更广,但精确度相对较低,适用于对抗不同频率的威胁。虽然这些武器具有方向性,但其精确度远不及激光武器。具体而言,1公里远的高能激光的射束宽度仅为几毫米,而高功率微波系统的射束宽度约为100米。

不同于激光武器一次只能攻击一个目标,高功率微波武器可同时对多个目标产生效果。这一特性使得高功率微波武器在对抗密集的无人机群时特别有用。与激光武器相同的是,使用高功率微波武器也存在造成意外后果的风险,尤其是对区域内的电子设备。由于射束扩散,高功率微波武器可能产生的附带效应区域会比高能激光武器更广。虽然部署在战场上的高功率微波武器对人类通常是非致命的,但关于人类暴露在这些射频武器下可能受到的具体健康影响不得而知。

激光和高功率微波武器都有相应的反制措施。对于激光武器而言,使用烟雾或其他遮蔽物可以阻挡激光束的路径,减少激光器对目标的直接照射;加固无人机意味着在无人机设计中采用能够反射或吸收激光的材料(这通常有助于减缓激光效果产生的进程,而非完全抑制其效果)。另一种反制措施是使用大量无人机进行压制,这能有效分散激光武器的注意力和火力,使其难以锁定真正的目标。此外,激光武器需要在多次发射之间进行冷却和/或再蓄力,无人机可利用这个时间窗口进行反击。对于高功率微波武器而言,无人机可通过加固电子设备进行防御,例如使用特殊的屏蔽材料来防止电磁脉冲进入飞机的电子系统。类似的技术也可用于加固携带核武器的有人驾驶军用飞机,如B-52H轰炸机。然而,这样的改造通常会增加飞机的尺寸、重量与成本,降低它们在一些战术场景下的灵活性和成本效益,特别是在需要快速部署和使用小尺寸、低成本平台的非对称战争中。

相关问答

射频发生器是半波整流吗?

是。射频发生器主要是以射频信号产生为主,用于产生射频的连续波信号,或者是以射频信号为载波的调制信号,射频、微波测试和开发领域必须用到的一种基本测试仪器...

rf信号发生器使用方法是什么?_土巴兔装修问答

同档级数据倍乘为...三、选择所需信号的频率范围,按下相应的档级开关,适当调节微调器,此时微调器所指示数据同档级数据倍乘为实际输出信号频率。四...

做完射频消融手术.多长时间可以康复_千问健康

做完射频消融手术.多长时间可以康复

射频信号发生器与矢量信号发生器有什么不同?

[回答]射频信号发生器中其重点是锁相环路,射频信号源是一个比较广谱的概念,通常意义上说,能产生射频信号的信号源都可以乘坐射频信号源。当前的矢量信号源...

电解法二氧化氯发生器,次氯酸钠发生器,酸性氧化电位水发生器...

[回答]正康次氯酸钠发生器系统介绍2020-12-15次氯酸钠发生器系统介绍:软水系统:常规的自来水都含有一定量的钙镁离子,在电解过程中,钙镁离子会吸收电能,同...

什么仪器可以输出iq?

一种可以输出IQ的仪器是信号发生器。信号发生器可以产生各种频率和幅度的信号,包括正弦波、方波、脉冲等。通过调节信号发生器的参数,可以生成具有不同IQ调制...

二氧化碳激光发生器可以不用氦气吗–960化工网问答

我们特域冷水机大部分都是配置在二氧化碳激光发生器的冷却使用上,在我们的客户中,二氧化碳激光发生器大致有三种:二氧化碳激光玻璃管2.二氧化碳激光金属管(射频...

场效消融术治疗前列腺炎效果好吗后遗症有吗_千问健康

场效消融术治疗前列腺炎效果好吗后遗症有吗_千问健康

我的世界怎么建核磁共振仪?

建造磁体:在游戏中建造一个类似于真实核磁共振仪中的磁体。这个磁体可以由多个铁块组成,并使用红石机制来产生磁场。建造射频脉冲发生器:接下来,你需要建造一...

对讲机用什么仪器检测?

无线电综合测试仪,经典型号为HP8935HP8920A/B/CR2600IFR120A等主要指标为发射功率、灵敏度等十几个呢个人业余调节下,购买一个功率/驻波比表和一个射...无...

标签:

相关阅读