深度分析射频电路的原理及应用
什么是射频电路
射频简称RF,射频就是射频电流,它是一种高频交流变化电磁波的简称。每秒变化小于1000次的交流电称为低频电流,大于1000次的称为高频电流,而射频就是这样一种高频电流。
射频电路指处理信号的电磁波长与电路或器件尺寸处于同一数量级的电路。此时由于器件尺寸和导线尺寸的关系,电路需要用分布参数的相关理论来处理,这类电路都可以认为是射频电路,对其频率没有严格要求,如长距离传输的交流输电线(50或60Hz)有时也要用RF的相关理论来处理。
射频电路方框图
射频电路的原理
射频电路的原理我们以普通手机射频电路来详细的介绍:
1
接收电路的结构和工作原理:
接收时,天线把基站发送来电磁波转为微弱交流电流信号经滤波,高频放大后,送入中频内进行解调,得到接收基带信息(RXI-P、RXI-N、RXQ-P、RXQ-N);送到逻辑音频电路进一步处理。
电路分析:
电路结构
接收电路由天线、天线开关、滤波器、高放管(低噪声放大器)、中频集成块(接收解调器)等电路组成。早期手机有一级、二级混频电路,其目的把接收频率降低后再解调(如下图)。
接收电路方框图
2
发射电路的结构和工作原理
发射时,把逻辑电路处理过的发射基带信息调制成的发射中频,用TX-VCO把发射中频信号频率上变为890M-915M(GSM)的频率信号。经功放放大后由天线转为电磁波辐射出去。
电路分析:
电路结构。
发射电路由中频内部的发射调制器、发射鉴相器;发射压控振荡器(TX-VCO)、功率放大器(功放)、功率控制器(功控)、发射互感器等电路组成。(如下图)
3
本振电路的结构和工作原理:
(本机振荡电路、锁相环电路、频率合成电路)
该电路产生四段不带任何信息的本振频率信号(GSM-RX;GSM-TX;DCS-RX;DCS-TX);送入中频内部,接收时对接收信号进行解调;发射时对发射基带信息进行调制和发射鉴相。
电路分析:
电路结构:手机本振电路有四种电路结构。
a) 由频率合成集成块、接收压控振荡器(RX-VCO)、13M基准时钟、预设频率参考数据(SYN-DAT;SYN-CLK;SYN-RST;SIN-EN),组成(早期手机多用;如下图)。
b) 把频率合成集成块集成在中频内部,结合外接RX-VCO组成(中期机、诺基亚机多用;(如下图)
c) 把频率合成集成块、接收压控振荡器(RX-VCO)集成一体,称本振集成块或本振舐IC(中期机、三星机多用;如下图)。
d) 把频率合成集成块、接收压控振荡器(RX-VCO)集成在中频内部(新型机、杂牌机多用;如下图)。
值得注意:无论采用何种结构模式,只是产生的频率不同;其工作原理,产生的频率信号的走向和作用都一样的。
射频电路的应用
RF(Radio Frequency)技术被广泛应用于多种领域, 如:电视、广播、移动电话、雷达、自动识别系统等。专用词RFID(射频识别)即指应用射频识别信号对目标物进行识别。
RFID的应用包括:
1、ETC(电子收费)
2、 铁路机车车辆识别与跟踪
3、 集装箱识别
4、贵重物品的识别、认证及跟踪
5、 商业零售、医疗保健、后勤服务等的目标物管理
6、出入门禁管理
7、动物识别、跟踪
【如果你喜欢EDA365的文章,记得关注和点赞哦!】
无线射频遥控原理 (一)发射电路
生活中我们会遇到很多无线遥控相关的产品,比如电动车遥控、汽车遥控、无线遥控灯、卷帘门遥控等这些通过RF无线射频传输,当然我们也会遇到一些使用红外线传输的产品,比如电视、空调遥控器等,其实两者的解码方式差不多,只是实现无线传输方式的载体不同的差异,今天我们主要讲解无线射频发射的遥控具体硬件电路的原理,后面会继续发布关于无线射频的接收以及软件解码C语言的内容(如何实现软件学习配码、拷贝码、滚码原理),喜欢的小伙伴可以关注我,带你一起学习电子知识。
无线射频的频率市场上常见的有315MHz、433MHz两种,如果要实现正确的通信,发射和接收必须是相同的频率才可以,否则不能正常的解码。
首先我们介绍发射电路,电路图一为电容三点式震荡方式,也是常用的一种工作方式,一般采用SAW声表作为滤波器件,发射的频率比较稳定,不随温度和电池电压的变化而变化,声表的频率决定了该发射器的具体发射频率。采用PCB铜箔作为天线和LC回路,实际在Layout时对天线的走线很重要,无经验的工程师往往需要改几次PCB才能调整到合适的发射频率,调试需要借助频谱仪先将震荡频率调整到需要的频率大约±30M左右,然后焊上声表测试波形,看发射功率是否达到要求,适当调整负载电阻R2可以改变发射电流,一般电阻应小于200欧姆,调整分压反馈电容C1、C2很容易使电路起振,根据经验一般C1不要过大,小于3P即可,C2小于20P,根据设计适当调整参数很容易就达到设计要求,一般空旷100米传输是可以达到的。该电路比较适合12V电池和紧凑的PCB空间场合。
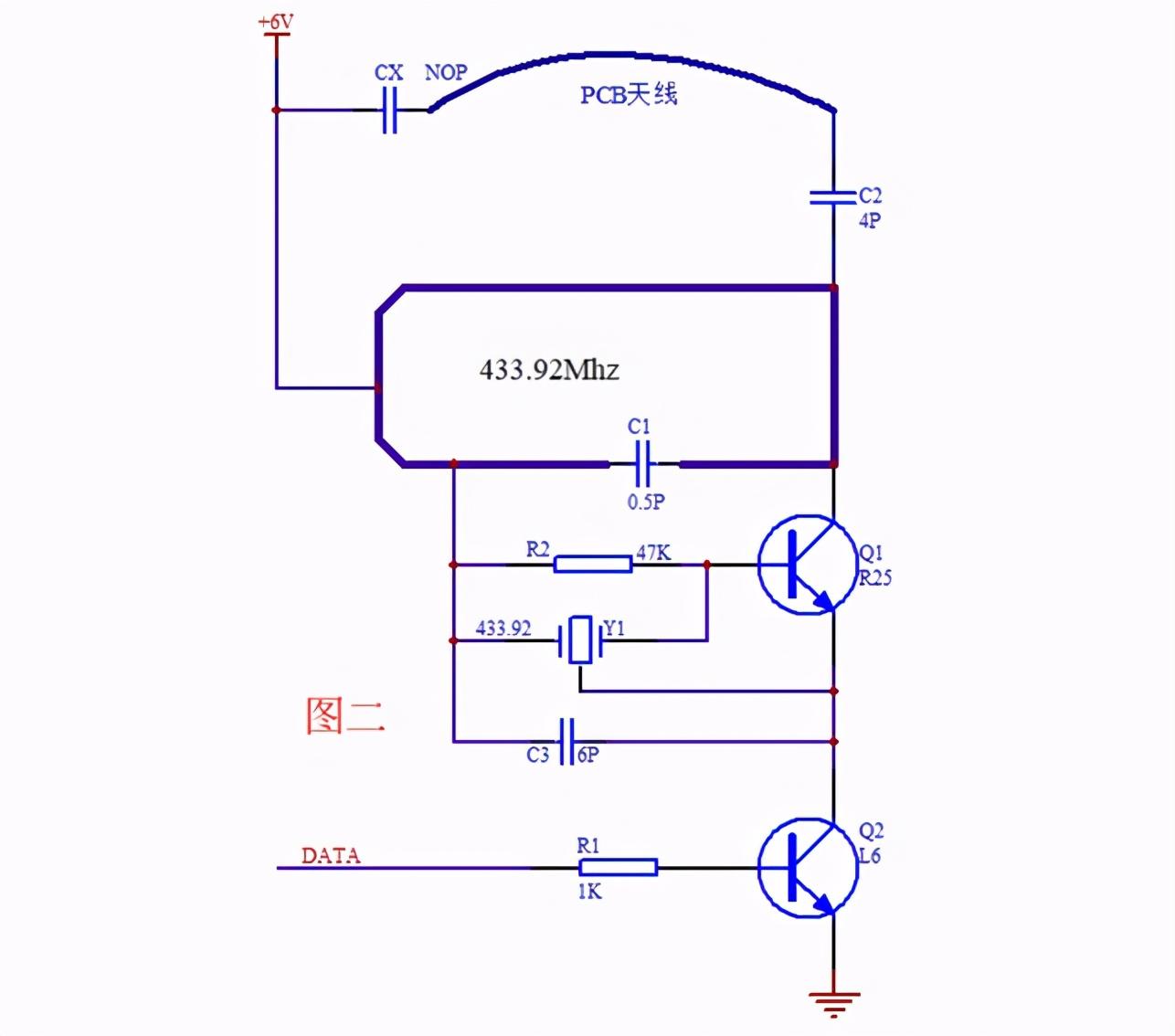
图二电路图是应用在6V或3V电池场合,一般使用两个2016纽扣电池叠加,该电路工作方式和图一类似,调整C1、C3的值可以使电路震荡,调整前先用一个小容量的电容代替声表,调试LC的震荡回路是否接近需要的频率范围。
三极管B极DATA数据信号可由发码芯片如:EV1527、PT2260、HS301等输出脉冲信号,也可以用MCU自定义发码格式,现在市场上国产MCU价格不高性能也不错,很适合产品应用。
相关问答
rf射频原理?
回答如下:RF射频原理指的是无线电频率范围内的电磁波传播原理。在RF射频中,电流会在导体内产生电磁场,导致电磁波的传播。这些电磁波的频率通常在3kHz到300G...
rf标签原理?
射频识别标签进入磁场后,接收解读器发出的射频信号,凭借感应电流所获得的能量发送出存储在芯片中的产品信息(PassiveTag,无源或被动标签),或者主动发送某...
RF射频接口是什么?
1、RF接口是为无线电射频接口。是目前家庭有线电视采用的接口模式。RF的成像原理是将视频信号(CVBS)和音频信号(Audio)相混合编码后输出,然后在显示设备内部...
什么是RF接口?
‘1、RF接口是为无线电射频接口。是目前家庭有线电视采用的接口模式。RF的成像原理是将视频信号(CVBS)和音频信号(Audio)相混合编码后输出,然后在显示设备内...
rf接口是什么意思?-ZOL问答
RF接口是无线电频率接口的缩写,英文全称为RadioFrequencyInterface。它是指用于传输和接收无线信号的连接点或端口。在通信设备中,RF接口常用于将射频(Radi...
数字rf接口是什么?
无线电射频接口数字rf接口的意思是为无线电射频接口。它是目前家庭有线电视采用的接口模式。RF的成像原理是将视频信号(CVBS)和音频信号(Audio)相混合编码后...
音频视频射频的物理定义-zjq0811的回答-懂得
射频射频(RF)是RadioFrequency的缩写,表示可以辐射到空间的电磁频率,频率范围从300KHz~30GHz之间。射频简称RF射频就是射频电流,它是一种高频交流变...
有线电视机顶盒射频输入旁边的射频输出是干什么的?
是射频输入的旁路输出,可以插接在电视机上,使得电视机仍然能接受来自有线电视网络的模拟信号。射频电源(RFgenerator)是用来产生射频电功率的电源。它的输出...
什么是RF接口?
RF接口是为无线电射频接口。它是目前家庭有线电视采用的接口模式。RF的成像原理是将视频信号(CVBS)和音频信号(Audio)相混合编码后输出,然后在显示设备内部...
音频视频射频的物理定义-小红薯B93F0A86的回答-懂得
【射频】无线电发射机通过天线能有效地发射至空间的电磁波的频率,统称为射频。若频率太低,发射的有效性很低,故习惯上所称的射频系指100KHz以上的频...
