法兰密封面7种类型都了解吗?FF、RF、MFM、TG、RTJ
法兰密封面类型介绍
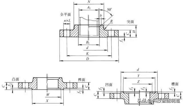
法兰密封面基本有:
全平面FF、突面RF、凹面FM、凸面M、榫面T、槽面G、环连接面RTJ(RJ)等七种类型,根据工况、介质、压力、规格、温度等情况的不同所以选用的类型也不尽相同。下面我们来一起认识这些法兰密封面的类型!
FF-全平密封面
Flat Face Full Face类型密封面表面为全平,适用于压力不高、介质无毒的场合。
RF-突面密封面
Raised Face类型密封面应用在几种类型当中最为广泛,最为常用的一种,国际标准与欧洲体系和国内的标准均为固定高度,但美标法兰中应注意高压力的高度会增高密封面的高度,垫片的使用也有多种类型。
适用于突面密封面法兰的垫片有各种非金属平垫片、包覆垫片;金属包垫;缠绕式垫片(含带外环或带内外环)等。
M/FM-凹凸密封面
Male Face与Female Face这两种密封面类型是一对,一雌一雄,必须配套使用,按装时便于对中,还能防止垫片被挤出。适用于压力较高的场合。
凹凸面密封面适用的密封垫片有:各种非金属平垫、包覆垫;金属包垫;基本型或带内环型缠绕挚片等。
T/G-榫槽连接密封面
Tongue Face和Groove Face同凹凸面差不多,也是一公一母的配对密封面类型,同样是配对使用。其垫片位于环状凹槽内,受两侧金属壁的限制·可免于垫片受压变形而被挤入管道中。由于垫片不与管内流体介质直接接触,较少遭受流体介质的浸蚀或腐蚀,故可用于高压、易燃易爆、有毒介质等对密封要求较严的场合。这种密封面垫片安装对中性好,但密封面加工比较困难,更换垫片时易损伤密封面,而且安装和拆卸时必须在轴向将法兰分开,因此在管线设计时要考虑到有将法兰在轴向分开的可能。
榫槽面密封面适用的垫片有:各种金属及非金属平垫、金属包垫及基本型缠绕垫片等。
RTJ(RJ)-环连接密封面
Ring Joint Face环连接面密封的法兰,也属于窄面法兰,并在法兰的突面上开出一环状梯形槽作为法兰密封面,和榫槽面法兰一样,这种法兰在安装和拆卸时必须在轴向将法兰分开,因此,在管线设计时要考虑到将法兰在轴向分开的可能。
这种密封面专用来与金属材料加工成形状为八角形或椭圆形的实体金属垫片配合,实现密封连接。由于金属环垫可以依据各种金属的固有特性,因而这种密封面的密封性能好,对安装要求也不太严格,适合于高温、高压工况,但密封面的加工精度较高。
法兰密封面与垫片配合解决方法
垫片要能够成功的密封,必须很好的控制与垫片配合的法兰表面的缺陷程度,大的刻痕、凹槽、或者擦伤等表面缺陷都是必须避免的,因为垫片很难密封或者说填补这些缺陷。法兰表面的光洁度可以用“粗糙度、纹路、波形度”等概念来描述。
粗糙度
粗糙度是从法兰表面中心开始计算突起和凹陷的平均值,用万分之一英寸(或米)来表示。对于锯齿状的法兰表面,典型的粗糙度为125-500微英寸,而对于非锯齿状的法兰表面,粗糙度为125-250微英寸。过于粗糙的法兰,垫片往往不能密封,只能尽量选用更软的垫片,而另一方面,很高的光洁度的法兰面,比如磨光过的表面,也是很难密封的,必须避免,因为密封表面需要充分的“咬痕”以提供足够的摩擦力,防止垫片被吹出或被挤出,或者过度的蠕变。
纹路
纹路是法兰表面粗糙式样的主导方向,比如:多方向的、唱片螺旋状的、锯齿状等 表面光洁度的纹路应尽可能和垫片的中心线相一致,比如圆形法兰,表面纹路应该加工为同心圆或者唱片螺旋线型,这样就可以避免有穿过法兰表面的线,如果有一条穿过密封表面的直线研磨线,就会成为一个直接泄露的路径。
波形度
波形度就是相对于整个平面度的偏差,正常条件下,并不需要考虑波形度的问题,但是有两种情况,需要特别关注,因为过度的波形度也是非常难以处理的问题。
第一种情况是搪玻璃的设备,在这种设备中融化玻璃的自然流动会形成很大的波形度,而且在较高的螺栓扭矩下,搪玻璃的法兰也容易变形。解决的办法是使用更厚的,而且可以高度压缩的垫片。
第二种情况涉及到翘曲的法兰,如果这种翘曲是由于热变形或者内应力造成的,那么对法兰进行再次加工处理就可以了,如果是由于过度螺栓负载或者法兰厚度不足而造成的翘曲,我们一般称为“弓形变形”,解决办法是重新设计具有更大刚度的法兰,有时可以加入加强筋来增强结构,而不用替换法兰,另一个办法是增加更多的螺栓,也可以把少而大的螺栓方案改为多而小的方案,由此增大了螺栓的弹性,使接头更好的结合。
12种法兰与密封面形式大全,法兰知识学习,你都知道吗?
管法兰及其垫片、紧固件统称为法兰接头。
(此处已添加圈子卡片,请到今日头条客户端查看)应用:
法兰接头是工程设计中使用极为普遍、涉及面非常广泛的一种零部件。它是配管设计、管件阀门必不可少的零件,而且也是设备、设备零部件(如人孔、视镜液面计等)中必备的构件。此外,其它专业如工业炉、热工、给排水、采暖通风、自控等,也经常使用法兰接头。
材质:
锻钢、WCB碳钢、不锈钢、316L、316、304L、304、321、铬钼钢、铬钼钒钢、钼二钛、衬胶、衬氟材质。
分类:
平焊法兰、带颈法兰、对焊法兰、环连接法兰、承插法兰、及盲板等。
执行标准:
有GB系列(国家标准)、JB系列(机械部)、HG系列(化工部)、ASME B16.5(美标)、BS4504(英标)、DIN(德标)、JIS(日标)。
国际管法兰标准体系:
国际上管法兰标准主要有两个体系,即以德国DIN(包括原苏联)为代表的欧洲管法兰体系和以美国ANSI管法兰为代表的美洲管法兰体系。
类型及密封形式
1.板式平焊法兰
板式平焊法兰(化工标准HG20592、国家标准GB/T9119、机械JB/T81)。
优点:
取材方便,制造简单,成本低,使用广泛
缺点:
刚性较差,因此不得用于有供需、易燃、易爆和较高真空度要求的化工工艺配管系统和高度、极度危害的场合。
密封面型式有平面和突面。
2.带颈平焊法兰
带颈平焊法兰属于国标法兰标准体系。是国标法兰(又称GB法兰)的其中一种表现形式,是设备或管道上常用的法兰之一。
优点:
现场安装较方便,可省略焊缝拍揉伤的工序
缺点:
带颈平焊法兰颈部高度较低,对法兰的刚度、承载能力有所提高。与对焊法兰相比,焊接工作量大,焊条耗量高,经不起高温高压及反复弯曲和温度波动。
3.带颈对焊法兰
带颈对焊法兰的密封面形式有:
突面(RF)、凹面(FM),凸面(M)、榫面(T),槽面(G),全平面(FF)。
优点:
连接不易变形,密封效果好,应用广泛,适用于温度或压力大幅度波动的管道或高温、高压及低温的管道,也用于输送价格昂贵介质、易燃易爆介质、有毒气体的管道上
缺点:
带颈对焊法兰的体积庞大,重量笨重,价格昂贵,安装定位很困难。因此在运输途中更容易磕碰。
4.整体法兰
整体法兰是一种法兰的连接方式。也是属于带颈对焊钢制管法兰的一种。材质有碳钢、不锈钢、合金钢等。
在国内各个标准之中,用IF来表示整体法兰。多用于压力较高的管道之中。生产工艺一般为铸造。
在法兰类型中就是用一个“IF”来表示整体法兰的类型。
一般为突面(RF),如果在易燃、易爆、高度和极度危害的使用工况之中,则可以选用除了RF面之外的凸凹面(MFM)及榫槽面(TG)的密封面的形式。
5.承插焊法兰
承插焊法兰是一端与钢管焊接另一端用螺栓连接的的法兰。
密封面形式:
突面(RF)、凹凸面(MFM)、榫槽面(TG)、环连接面(RJ)
应用范围:
锅炉压力容器、石油、化工、造船、制药、冶金、机械、冲压弯头食品等行业。
常用于PN≤10.0MPa,DN≤40的管道中。
6.螺纹法兰
螺纹法兰是将法兰的内孔加工成管螺纹,并和带螺纹的管子配套实现连接,是一种非焊接法兰(公众号:泵管家)。
优点:
它和平焊法兰或对焊法兰相比,螺纹法兰具有安装、维修方便的特点,可在一些现场不允许焊接的管线上使用。合金钢法兰有足够的强度,但不易焊接,或焊接性能不好,亦可选择螺纹法兰。
缺点:
在管道温度变化急剧或温度高于260℃低于-45℃的条件下,建议不使用螺纹法兰,以免发生泄漏。
7.对焊环松套法兰
对焊环松套法兰是可以活动的法兰片,一般是配套在给排水配件上,厂家出厂时伸缩节两端就各有一片法兰,直接与工程中的管道、设备用螺栓连接。
作用:
使用对焊环松套法兰的目的一般是为了节省材料,其结构分成两部分,管子部分一头和管道接,一头做成对焊环。法兰盘采用低等级的材料,而管子部分使用和管道一样的材料,达到节省材料的目的。
优点:
节约成本。当管材材质特殊,价格昂贵时,焊接同样材质的法兰成本高。不便于焊接或不便于加工或需要的强度大。如塑料管、玻璃钢管之类。便于施工。如连接时法兰螺栓孔对应不便于找正或者防止日后更换设备法兰螺栓孔有变等。缺点:
承受压力低。焊环处强度低(特别是厚度3mm以下时)8.平焊环松套法兰
平焊环松套法兰盘 是可以活动的法兰片。直接与工程中的管道、设备用螺栓连接。
使用平焊环松套法兰盘的目的一般是为了节省资料 ,其结构分成两部分,管子局部一头和管道接,一头做成翻边,法兰盘部分套在翻边上。
优点:
方便于焊接或方便于加工或需要的强度大,如塑料管、玻璃钢管之类。便于施工,如连接时法兰螺栓孔对应方便于找正或者防止日后更换设备法兰螺栓孔有变等。价格高贵时,节约本钱。当管材材质特殊,焊接同样材质的法兰成本高。缺点:
接受压力低。焊环处强度低(特别是厚度3mm以下时)9.法兰盖
也称盲板法兰、盲板 。是中间不带孔的法兰,供封住管道堵头 用。
作用与焊接封头及丝扣管帽是一样的,只不过盲板法兰和丝扣管帽可以随时卸下来,而焊接封头则不行。
法兰盖密封面:
平面(FF)、突面(RF)、凹凸面(MFM)、榫槽面(TG)、环连接面(RJ)
10.衬里法兰盖
衬里法兰盖 是一种盲板法兰,接近介质的一边堆焊不锈钢,为1个整体。衬里法兰盖用在有腐蚀性介质的管道上作盲板用。与普通法兰盖的区别是与介质接触面增加了防腐衬层。
11.美标带颈平焊法兰
带颈平焊法兰连接于管端 。主要是使管子与管子相互连接的零件。带颈平焊法兰上有孔眼,可穿螺栓,使两法兰紧连,法兰间用衬垫密封。
垫片放在两法兰密封面之间,拧紧螺母后,垫片表面上的比压达到一定数值后产生变形,并填满密封面上凹凸不平处,使联接严密不漏。法兰联接是一种可拆联接。按所联接的部件可分为容器法兰及管法兰。带颈平焊法兰适用于公称压力不超过2.5MPa的钢管道连接。
带颈平焊法兰用于法兰与管子的对口焊接,其结构合理,强度与刚度较大,经得起高温高压及反复弯曲和温度波动,密封性可靠。公称压力为0.25~2.5MPa的带颈平焊法兰采用凹凸式密封面。
12.美标带劲对焊法兰
美标法兰是使管子与管子相互连接的零件,连接于管端。美标对焊法兰由锻造而成和浇铸而成两种方法。
美标对焊法兰根据带颈情况可以分为带颈美标对焊法兰和不带颈的美标对焊法兰。
美标对焊法兰由两个法兰盘加上法兰垫,用螺栓紧固在一起,完成了连接。美标法兰上有孔眼,螺栓使两法兰紧连。
法兰间用衬垫密封。
图表详解
来源:工控资料窝,如侵权请告知删除
相关问答
【法兰标准中的SO、WN、RF、PL各代表什么意思】作业帮
[最佳回答]SO、WN、PL——管法兰类型代号SO——带颈平焊法兰WN——带颈对焊法兰PL——板式平焊法兰RF——密封面形式代号,密封面形式为“突面”.SO、WN、PL—...
阀门法兰连接RF、RJ、LG、FF分别表示什么意思?_汽配人问答
[最佳回答]密封面形式代号突面RF全平面FF环连接面RJ榫槽面TG凹凸面MFM适用于以下法兰的密封面:板式平焊PL带颈平焊SO带颈对焊WN整体法兰IF承插...
法兰中rf是什么意思?
法兰rf是意思:法兰指的是突面。法兰(Flange),又叫法兰凸缘盘或突缘。法兰是轴与轴之间相互连接的零件,用于管端之间的连接。也有用在设备进出口上的法兰,用...
法兰rf是什么意思?
法兰rf是意思:法兰指的是突面。法兰(Flange),又叫法兰凸缘盘或突缘。法兰是轴与轴之间相互连接的零件,用于管端之间的连接。也有用在设备进出口上的法兰,用...
1-1/2"RF是代表多大的法兰?急–960化工网问答
1-1/2"RF是代表多大的法兰?急最佳答案是美标的法兰a明金协smeb16.5是它的标准sa105是法兰材料的标准也是asme的s022/1"这个没有看...
法兰PL15B-16RF什么意思?
法兰PL15B-16RF是一个产品型号,它可能是指一种特定的法兰连接件。让我来解释一下这个型号的含义:"法兰"是一种常用的连接件,用于连接管道、阀门、泵等设备。...
法兰RF和RTJ面的各自最大承受压力是多少?
RF一般最大15.0MPa,RTJ最大42.0MPa.凹凸面法兰通常用在德标及国标的PN4.0、PN6.4MPa等级中,主要由压力等级决定,凹凸面法兰密封比普通的凸面法兰(RF)更好一...
RF法兰和FF法兰有什么区别?
区别如下:1,FF是全平面法兰,RF是有密封面台阶的法兰。2,FF面一般用在压力低的法兰,或者是密封面需要贴PPH衬环密封面,起到耐腐蚀的作用。3,RF为凸面法...
求专业人士指点,法兰SO150-25RF20Ⅱ,分别是啥意思-答疑...
[最佳回答]法兰SO150-25RF20Ⅱ:SO带径平焊法兰公称通径150MM的法兰,压力:25公斤压力,RF密封面,20号钢II级锻件。法兰SO150-25RF20Ⅱ:SO带径平焊法兰公...
rfhg是什么法兰?
RFHG是一种特殊的法兰连接标准。RF代表RaisedFace,表示该法兰连接具有突起面,通常用于管道系统的高温高压环境。HG则代表德国标准HochllgelegeneStanda...
