闪蒸缓冲装置的说明
闪蒸缓冲装置:
1、该产品用于化学品项目水煤浆气化装置低压闪蒸罐 和真空闪蒸罐黑水进口缓冲装置,外壳采用Q345R材料的无缝钢管,内衬JM3材料整体铸造复合,连接部位采用法兰,法兰螺孔及外圆尺寸符合(HG/T20615-2009 WN-RF)标准,其余按卖方设计的图纸制作。耐冲刷部位(管端盲板)与介质接触面设计成凹凸圆弧结构。
2、缓冲装置内衬的耐磨材料和外壳紧密贴合并完全覆盖,在气液固三相存在的恶劣工况下内衬材料不碎裂、不造成短节堵塞,且在装置运行周期内,工艺介质不直接和外壳接触;
3、缓冲装置在运行期内,应该优先设计磨损其竖直底部的管端盲板,而不磨损圆筒壁,更换方便。
4、耐磨性高、耐腐蚀能力强、耐高温、抗磨损性能高。
5、复合工艺先进、稳定。制模尺寸精度高,耐磨层厚度均匀一致,而且组织均匀、性能稳定,特别是可对直管及异形管进行整体复合(对弯管、三通、四通、锥形管、变径管、非等壁厚管、偏心管都可以做到整体复合)。
6、管道系统运行阻力小。各种管道做到整体复合,改变了打折线制作弯管的传统工艺方法,不改变物料在弯管中的流动轨迹,大大降低了物料输送阻力。
7、抗热振性能好,由于该主品的内层和外层的热膨胀系数相当,对于有温度急剧变化和经常变化的工况场合,不会发生因内层脱落而产生失效。
8 采用法兰连接,安装、检修非常方便。
易被忽视的结构
原创 Vcad
很多结构由于规范的配图尺寸不完整,造成很多时候尺寸确定以及控制要点没有出处,个人自由发挥,导致有时候结构不合理。笔者建议参考相关规范,尽量做到有依据。
对于一些常用的结构总结如下:
GB151.3-附录I.1g)节点图,未标明h的值和R角。
此时可以参考ASME VIII I -2021, Figure UW-13.3
h为19或者1.5倍筒体厚度的大值,且不超过50mm 。
2. 换热器管板的R角
GB151.3-附录I.2c)节点图,未标明R的值。
可以参考PD5500表D.4,R为max(0.25*壳体厚,5).
3. 整体补强锻管的圆弧
在GB150.3中,下图节点并未表示R1和R2的圆角。
根据ASME Figure UW16.1,常规锻管Radius大于等于3mm ,90度翻边对接的锻管,一般为R2=最小R19 .
4. 带颈对焊法兰的R角
ASME VIII I强制性附录2,法兰颈部的圆滑过渡r,一般取值为0.25*大端厚度且不小于5mm(GB150.3中为4.5mm)。一些大直径的法兰,大端厚度比较厚时,其值会比较大。
当我们用NB47023的法兰时,其R角完全符合规范要求。
但是当管法兰做设备法兰时,其r值可能不够。比如对于美标法兰法兰型号为WN 600-1500RF s=24时,法兰规范只是R>=4.5, 而按照GB150或者ASME,R应该为>=25mm。
5. 从切线开始削边吗?
当封头厚度大于筒体厚度时,GB150.3 D.2.2的节点表达的意思是应该从切线开始削边吗?
一般来说,从受力分析和加工便利性角度,都没有必要从切线削边,规范的意思应该理解成,最多从切线开始削,不允许削到封头切线右侧(曲线部分),并且要保证1:3削边。
当直边长度比较长,大于L时,可以参考GB150.4的6.5.3,按照B类焊接接头的处理即可,完全没有必要从切线削很长的过渡。
当直边长度小于1:3削边长度L时,应当适当加长直边长度,或者采用焊缝覆盖的方式。
对比类似的节点,ASME VIII I的图UW13.1,与GB150.3不同的是,并未表示焊缝的位置 。
其中注6也表示了:封头的直边长度为max(min(3th,38),L)。当th<=1.25ts时,直边应有足够长度以适应任何所需斜面要求。
6. 板式法兰的焊接节点
HG/T20592的板式法兰焊接,f1>=S
HG/T20615中,配了一个板式平焊法兰节点,其角焊缝高度不同,f1>=1.4S。
按照GB150.3,图7.2的板式法兰焊接,其腰高为接管厚度,角高应大于等于1.4倍壁厚。建议其焊接应该以GB150.3的要求为准。
角高为1.0倍壁厚,一般当做松式法兰。
角高为1.4倍壁厚,一般当做任意式法兰,可以按照整体法兰考虑。
对于SO法兰,一般采用如下的焊接节点:
比较容易被忽视的是,有些SO法兰的颈部厚度小于1.4S,此时应该焊脚高为颈部厚度。
7. 接管内部倒角
一般来说,此处的R角为3mm ,不过在以下工况,应该取0.25倍接管厚度和19mm 中的小值。
比如在湿H2S工况中,接管倒角一般会稍微大点。
同时应当注意到,从应力分析角度来说,内倒角并不是越大越好,外倒角一般来说越大越好,但是也要注意加工成本。
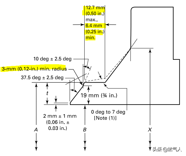
8. 厚壁管法兰颈部坡口
对于大于22mm厚度的接管配管法兰,一般按照HG20516的要求,开如下的坡口焊接。此处的H没有值。
可以在美标大直径法兰处找到,第346页,厚度为20mm,
在ASME B 16.5中H=19mm ,更有不同的是,在坡口的两个角度变化的地方,需要最小3mm倒角过渡 。此处由于GB中未有要求,在设计ASME设备中,容易被忽视。
相关问答
...LM、B分别代表什么意思啊!还有法兰PN40-DN150WN/RF中,_作业帮
[最佳回答]WN带颈对焊法兰,LM凸面(法兰密封面),B是指B系列的.RF突面(法兰密封面)
法兰标准中的SO、WN、RF、PL各代表什么意思-ZOL问答
rfy标准讨论回答(5)SO——带颈平焊法兰WN——带颈对焊法兰PL——板式平焊法兰RF——密封面形式代号,密封面形式为“突面”分类方法1、按化工(HG)行业标...
...adius8.CarbonSteelFlangeWN-RFSch.XS,Material:A105Na)Si...
[最佳回答]1.无缝碳钢管的SCH.XS的的C/瓦特塑料瓶盖在两端,材料:a106遗传资源.b1)尺寸:dn300x6米b)在大小:dn250x6米2.无缝碳钢管的SCH.80的C/...
法兰20150LBWN-RFHG/T20615?怎么解释?
这是美标法兰20是DN150是压力(PN2.0MPN)WN表示对焊RF表示法兰的密封面(突面)HG/T20615是它的执行标准WN20-150LB(RF)HG/T2061520#这是...
ASME容器上的接管法兰标识问题-盖德问答-化工人互助问答社区
期待答案啊我明白你说的是买法兰时候法兰上的标识问题,ai要求你的法兰用dn的原因是什么,还不是你的设备图纸上的尺...但是这个要求跟asmeb16.5...
ASMEB15.6里面法兰如何标记?-盖德问答-化工人互助问答社区
问下,你说的这个标记示例是来自asmeb16.5里面的吗?是的话能否告诉我一下在哪页?16.5中第4标记可以理解的啊举个例子:asmeb16.5法兰wn1"-1...
法兰标准4"-150LBWN/RF20#ANSIB16.5什么意思,与国标DN100法兰一致吗?
4"-150LBWN/RF20#ANSIB16.5是指:美标带颈对焊法兰RF面的.4寸的!也就是DN100的!压力代表是150镑的!20#是指的材质也就是碳钢的!与国标的对焊法兰是...
wn80b-63RF是什么法兰?
WN80B-63RF法兰是一种由碳钢材料制成的法兰,具有较高的耐腐蚀性和强度。该法兰适用于连接管道、阀门等设备,具有良好的密封性能和连接稳定性。此外,WN80B-63RF...
Wn代表什么计量单位?
WN表示对焊1、50表示公称通径DN(B表示B系列管径是57)-25是压力新标准是25公斤压力,老标准是250公斤压力,RF密封面,突面S=6法兰径厚度,也是配管的厚度。2...
wn250-16rf压力等级是多少?
WN250-16RF是一种法兰式球阀,其压力等级为Class250,温度范围为-29℃至+200℃。这种球阀采用双向密封结构,具有良好的密封性和耐腐蚀性能,广泛应用于石油、化...
